变压器(Transformer)是利用电磁感应的原理来改变交流电压的装置,主要构件是初级线圈、次级线圈和铁芯(磁芯)。主要功能有:电压变换、电流变换、阻抗变换、隔离、稳压(磁饱和变压器)等。按用途可以分为:电力变压器和特殊变压器(电炉变、整流变、工频试验变压器、调压器、矿用变、音频变压器、中频变压器、高频变压器、冲击变压器、仪用变压器、电子变压器、电抗器、互感器等)。电路符号常用T当作编号的开头.例: T01, T201等。
变压器的分类
一般常用变压器的分类可归纳如下:
1、按相数分:
1)单相变压器:用于单相负荷和三相变压器组。
2)三相变压器:用于三相系统的升、降电压。
2、按冷却方式分:
1)干式变压器:依靠空气对流进行自然冷却或增加风机冷却,多用于高层建筑、高速收费站点用电及局部照明、电子线路等小容量变压器。
2)油浸式变压器:依靠油作冷却介质、如油浸自冷、油浸风冷、油浸水冷、强迫油循环等。
3、按用途分:
1)电力变压器:用于输配电系统的升、降电压。
2)仪用变压器:如电压互感器、电流互感器、用于测量仪表和继电?;ぷ爸谩?/div>

烜芯微专业制造二极管,三极管,MOS管,桥堆20年,工厂直销省20%,1500家电路电器生产企业选用,专业的工程师帮您稳定好每一批产品,如果您有遇到什么需要帮助解决的,可以点击右边的工程师,或者点击销售经理给您精准的报价以及产品介绍
3)试验变压器:能产生高压,对电气设备进行高压试验。
4)特种变压器:如电炉变压器、整流变压器、调整变压器、电容式变压器、移相变压器等。
4、按绕组形式分:
1)双绕组变压器:用于连接电力系统中的两个电压等级。
2)三绕组变压器:一般用于电力系统区域变电站中,连接三个电压等级。
3)自耦变电器:用于连接不同电压的电力系统。也可做为普通的升压或降后变压器用。
5、按铁芯形式分:
1)芯式变压器:用于高压的电力变压器。
2)非晶合金变压器:非晶合金铁芯变压器是用新型导磁材料,空载电流下降约80%,是节能效果较理想的配电变压器,特别适用于农村电网和发展中地区等负载率较低地方。
3)壳式变压器:用于大电流的特殊变压器,如电炉变压器、电焊变压器;或用于电子仪器及电视、收音机等的电源变压器。
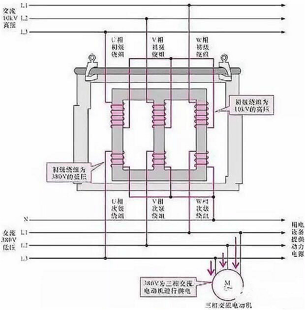
变压器的工作原理
下图是变压器的结构示意图,图中,左侧是一次绕组,右侧是二次绕组,一次和二次绕组均绕在铁芯上。

变压器只能输入交流电压。从变压器一次绕组两端输入交流电压,从二次绕组输出交流电压。
给一次绕组输入交流电压后,一次绕组中有交流电通过,一次绕组产生交变磁场,磁场的磁力线绝大多数由铁芯构成回路。
因为二次绕组也绕在铁芯或磁芯上,变化的磁力线穿过二次绕组,在二次绕组两端产生感应电动势。二次绕组所产生的电压大小与输入电压大小不同(如果是1:1的变压器,则电压相同),其频率和变化规律与输入的交流电压一样。
这就是变压器的基本工作原理:根据电磁感应原理,当一个导电的物体处于变化的磁场中,在导电体中就能够感应出电流来。

变压器如何能改变电压
变压器改变电压有一个专门的参数:变压比。
变压器的变压比表示了变压器一次绕组匝数与二次绕组匝数之间的关系。从变压比可以看出一个变压器是升压变压器还是降压变压器,也或者是1:1的变压器。
变压比=一次绕组匝数/二次绕组匝数。
变压比小于1,是升压变压器,表明一次绕组匝数小于二次绕组匝数。
变压比大于1是降压变压器,表明一次绕组匝数大于二次绕组匝数。

从变压器的工作原理可知,电流从一次绕组进去,从二次绕组流出。由于输入的交流电的电流方向不断改变,就会产生一个和电流同步变化的磁场。由于磁场的大小与方向不断改变,从而在次级线圈内感应出电流来。因为在每一圈线圈上的电压都相等,所以,次级线圈圈数越多,从次级线圈输出的电压就越高。
如果初级线圈的圈数比次级线圈多,次级线圈上的电压就会降低,这就是降压变压器;反之,如果初级线圈的圈数比次级线圈少,次级线圈上的电压就会升高,这就是升压变压器。
变压器结构
1、示意图

2、符号

变压器为什么能改变电压的高低
变压器能改变电压的高低是由它的工作原理决定的。在闭合铁芯上绕有两个互相绝缘的绕组,其中接电源的叫一次绕组,输出电能接负荷的叫二次绕组。当交流电源加到一次绕组后,就有交流电流通过该绕组,在铁芯中产生交变磁通,这个交变磁通不仅穿过一次绕组,同时也穿过二次绕组。
两个绕组中分别产生感应电动势E1、E2,此时,如果二次绕组与外电路负荷接通,就有电流流入负荷,即二次绕组有电能输出。E1/E2=N1/N2,I1/I2=N21/N1,变压器一、二次绕组感应电势之比等于一、二次绕组匝数之比,一、二次绕组电流之比与一、二次绕组匝数成反比,变压器正是根据电磁感应原理通过一、二次绕组匝数的改变达到改变一、二次绕组电压的高低。
改变变压器次级电压详细步骤
工具/原料:
电烙铁,钳子,万用表,铁板【15CM*20CM],瓦斯炉或者酒精灯】
厚手套
方法/步骤:
1、V1/V2=N1/N2 ,V1是初级电压,V2是次级电压,N1是初级绕组线圈匝数,N2是次级绕组线圈匝数。给变压器上电【注意绝缘,注意安全】,量一下次级电压,记在纸上,注意用交流电压测量档位,也就是~符号。量得次级电压20V。

2、点燃瓦斯炉,将铁板放上,变压器置于特板上加热至90度左右。

3、戴上手套,用螺丝刀和钳子把硅钢片拆下,记得拆卸位置

4、把线包拿出来,拆次级线圈,查一下多少圈!千万别查错!这很重要!根据次级压,初级电压,算出初级线圈匝数,你想要多高电压带入公式,算出次级匝数,比如13V,根据公式算出匝数130

5、把硅钢片原样装上,搞定!可能剩下一片两片装不上,没关系,就是有一点嗡嗡声,不影响使用。

烜芯微专业制造二极管,三极管,MOS管,桥堆20年,工厂直销省20%,1500家电路电器生产企业选用,专业的工程师帮您稳定好每一批产品,如果您有遇到什么需要帮助解决的,可以点击右边的工程师,或者点击销售经理给您精准的报价以及产品介绍
相关阅读