一、接触器互锁电动机正反转控制电路

正向转动控制:闭合电源开关Q,当按下正向起动按钮SB2时,接触器KM1的线圈得以通电并实现吸合动作。随之,其主触点闭合,同时??ㄖサ阋脖蘸希纬勺运刺?,驱动电动机M正向旋转。此时,KM1的常闭辅助触点断开,有效避免接触器KM2通电。此时,电动机所连接的电源相序为A-B-C。
反向转动控制:若要将电动机从正向旋转切换为反向旋转,需先按下停止按钮SB1,使正转电路断开。随后,按下反向起动按钮SB3,接触器KM2线圈通电并吸合,其主触点和??ㄖサ惚蘸?,电动机M进入反转状态。与此同时,KM2的常闭辅助触点断开,防止接触器KM1通电。此时,电动机所接电源相序变为C-B-A。
停止控制:若需停止电动机运行,直接按下停止按钮SB1即可。
该控制电路在改变电动机转向时,必须先按下停止按钮,再按反转起动按钮,才能使电动机反转。这种电路设计适用于需要可逆运行的各类生产机械,为其提供了可靠的正反转控制功能,确保生产过程的灵活性和效率。
二、电动与自锁混合电路


此电路在传统控制基础上增加了一个中间继电器。当按下SB2时,中间继电器KA形成自锁,同时其自身的??サ惚蘸希筀M线圈得电。而当按下SB1时,KM和KA的线圈同时失电。若按下SB3,接触器KM线圈得电;松开SB3时,KM线圈失电,实现点动控制。该电路结合了电动控制和自锁功能,提供了更灵活的控制方式,满足不同生产场景下的操作需求。
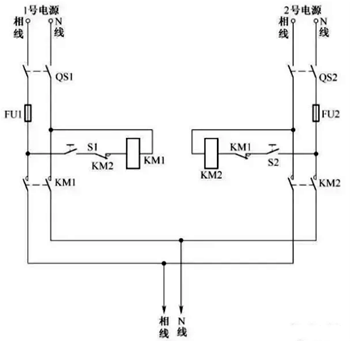
三、单相双电源自动切换电路


双电源切换技术在众多领域得到了广泛应用。该电路通过两个接触器实现自动切换功能。主电源的接触器线圈与继电器的??サ阆嗔?,而备用电源的接触器线圈则与继电器的常闭触点相连。
主线路有电状态:当主线路有电时,继电器吸合,其??サ惚蘸?,主线路得以导通。与此同时,常闭触点断开,备用电源处于不工作状态。
主线路断电状态:一旦主线路断电,继电器也随之断电。??サ慊指闯跏级峡刺?,主线路断开。此时,备用电路的接触器通过继电器的常闭触点开始工作,确保电力供应的连续性。
这种单相双电源自动切换电路在面对电力供应不稳定或需要备用电源保障的关键场合发挥着重要作用,如医院、数据中心、工厂等,有效提高了电力系统的可靠性和稳定性,降低了因停电造成的损失和风险。
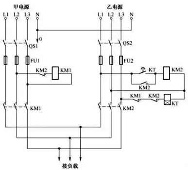
四、三相双电源自动切换电路


该电路采用了继电器KA的常开、常闭触点与接触器KM1、KM2的???、常闭触点组成的双互锁结构,显著增强了电路的安全性和可靠性。通过精确的触点控制和互锁机制,确保在三相电源切换过程中,主电源和备用电源能够平稳、准确地进行切换,避免了电源切换瞬间可能产生的电弧、短路等故障,为三相用电设备提供了稳定、可靠的电力保障,广泛应用于对电力供应要求严格的工业领域和大型用电系统中。
五、一灯单控、双控、三控的接线图


一灯单控、双控、三控接线图分别适用于不同的照明控制场景。单控接线图实现对单一灯具的简单控制;双控接线图允许在两个不同位置对同一灯具进行控制,方便用户根据实际需求灵活操作;三控接线图则进一步扩展了控制范围,可在三个位置对灯具进行控制,满足更复杂的照明控制需求,如楼道、走廊等场所的照明控制,提高了照明系统的便利性和实用性。
六、星三角降压启动电路


星三角降压启动电路是一种常用于三相电动机启动的电路。在电动机启动初期,将定子绕组接成星形,降低启动电压,减少启动电流,减轻对电网的冲击。当电动机转速上升到一定值后,再将定子绕组切换成三角形,使电动机进入正常运行状态。这种启动方式有效地解决了三相电动机直接启动时电流过大、对电网造成较大冲击的问题,广泛应用于风机、水泵等需要降压启动的三相电动机控制系统中,延长了电动机的使用寿命,提高了电网的稳定性。
〈烜芯微/XXW〉专业制造二极管,三极管,MOS管,桥堆等,20年,工厂直销省20%,上万家电路电器生产企业选用,专业的工程师帮您稳定好每一批产品,如果您有遇到什么需要帮助解决的,可以直接联系下方的联系号码或加QQ/微信,由我们的销售经理给您精准的报价以及产品介绍
〈烜芯微/XXW〉专业制造二极管,三极管,MOS管,桥堆等,20年,工厂直销省20%,上万家电路电器生产企业选用,专业的工程师帮您稳定好每一批产品,如果您有遇到什么需要帮助解决的,可以直接联系下方的联系号码或加QQ/微信,由我们的销售经理给您精准的报价以及产品介绍
联系号码:18923864027(同微信)
QQ:709211280