桥式整流电路,三相桥式整流电路图介绍
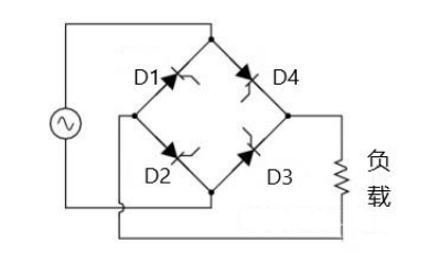
桥式整流电路是一种利用四个二极管按特定电桥结构连接而成的整流拓扑,其核心功能在于将交流输入转换为直流输出。相较于采用中心抽头变压器的整流方案,桥式电路的主要优势在于无需变压器中心抽头,从而显著降低了系统的体积与成本。
桥式整流电路是一种利用四个二极管按特定电桥结构连接而成的整流拓扑,其核心功能在于将交流输入转换为直流输出。相较于采用中心抽头变压器的整流方案,桥式电路的主要优势在于无需变压器中心抽头,从而显著降低了系统的体积与成本。
分类体系
桥式整流电路可依据电源类型、控制方式及拓扑结构进行分类。按电源相数可分为:
单相桥式整流电路: 由四个二极管构成,适用于单相交流电源。
三相桥式整流电路: 由六个二极管构成,适用于三相交流电源。
根据功率控制能力,上述两类电路可进一步细分为:
非受控整流电路: 仅使用二极管作为整流元件,输出直流非受调节。
半控整流电路: 部分使用可控器件(如晶闸管/SCR)。
全控整流电路: 全部使用可控功率半导体器件(如晶闸管/SCR、MOSFET、IGBT等)实现输出功率的精确控制。
电路特性详解
非受控桥式整流电路


此类电路完全依赖二极管进行整流。二极管固有的单向导电性决定了电流只能单向流动,但也意味着其输出功率无法根据负载需求进行主动调节。因此,非受控整流电路通常应用于对输出电压稳定性要求不高或电源本身恒定的场合。
可控桥式整流电路


可控整流电路的核心在于使用晶闸管(SCR)、功率MOSFET、IGBT等可控功率半导体器件替代或部分替代二极管。通过精确控制这些器件的导通角(触发时刻),可以实现对输出直流电压和功率的连续调节,满足不同负载的电压需求。
关键设计考量
在设计桥式整流电路以提供直流输出时,以下技术参数至关重要,直接影响电路性能、效率及可靠性:


导通压降 (Forward Voltage Drop)
电流流经桥式整流电路时,在任何工作半周期内均需通过两个串联的二极管。
每个二极管在导通时会产生显著的正向导通压降(V<sub>F</sub>)。对于标准硅二极管,该压降典型值约为0.7V至1.2V(具体值取决于二极管型号和电流大?。宜娴缌髟龃蠖杂猩仙?。
结果: 实际可获得的直流输出电压峰值将至少比交流输入电压峰值低 两倍二极管压降 (2 * V<sub>F</sub>)。例如,若使用硅二极管(V<sub>F</sub> ≈ 1.0V),输出电压峰值将比输入交流峰值低至少2.0V。精确设计时必须参考所用二极管或整流桥模块的数据手册(Datasheet),根据预期工作电流确定实际的压降值。
功率耗散与散热 (Power Dissipation & Thermal Management)
上述二极管压降与流过的电流共同产生功率损耗 (P<sub>loss</sub> ≈ 2 * V<sub>F</sub> * I<sub>out</sub>),并以热量的形式散发。
该功率损耗必须通过有效的散热手段耗散,以防止器件过热失效。散热方式取决于损耗功率大?。?/div>
小功率应用:通常依靠器件自身封装和空气自然对流散热即可满足。
中、大功率应用:整流桥模块通常设计有金属安装基板(如螺栓安装型封装),必须将其牢固安装在足够尺寸的散热器上,利用强制风冷或更大散热面积来保证工作温度在安全限值内。散热设计是确保整流器长期可靠运行的关键环节。
峰值反向电压 (Peak Inverse Voltage, PIV)
施加在整流二极管两端的最大反向电压(PIV)是选型时的核心参数,绝对非受超过二极管或整流桥??榈亩疃ㄖ担裨蚪贾路聪蚧鞔┧鸹?。
桥式整流电路的一个重要优势在于其所需的二极管PIV额定值低于中心抽头整流电路方案。在忽略二极管压降的理想情况下,对于相同的直流输出电压,桥式电路中二极管承受的PIV仅为中心抽头电路中所需PIV的一半。
原理分析: 在桥式整流电路的正半周(假设D1、D4导通),截止二极管D2、D3的阴极电位近似等于输入电压的正峰值,阳极电位近似等于输入电压的负峰值。因此,每个截止二极管两端承受的反向电压近似等于输入交流电压的峰值 (V<sub>peak</sub>)。在负半周(D2、D3导通)同理作用于D1、D4。精确计算需考虑实际压降影响,但设计余量应以V<sub>peak</sub>为基础。
三相桥式整流器应用特点
桥式拓扑因其固有的优势(无需中心抽头变压器)而在三相整流应用中广泛采用:
输出直流电压 (V<sub>dc</sub>) 理论值约为三相输入线电压有效值 (V<sub>LL,rms</sub>) 的1.35倍(或相电压有效值的2.34倍)。
输出直流电流 (I<sub>dc</sub>) 与流经每个二极管的平均电流关系为:I<sub>diode,avg</sub> = I<sub>dc</sub> / 3。


桥式结构使得变压器次级绕组利用率高,电流波形更优。
〈烜芯微/XXW〉专业制造二极管,三极管,MOS管,桥堆等,20年,工厂直销省20%,上万家电路电器生产企业选用,专业的工程师帮您稳定好每一批产品,如果您有遇到什么需要帮助解决的,可以直接联系下方的联系号码或加QQ/微信,由我们的销售经理给您精准的报价以及产品介绍
〈烜芯微/XXW〉专业制造二极管,三极管,MOS管,桥堆等,20年,工厂直销省20%,上万家电路电器生产企业选用,专业的工程师帮您稳定好每一批产品,如果您有遇到什么需要帮助解决的,可以直接联系下方的联系号码或加QQ/微信,由我们的销售经理给您精准的报价以及产品介绍
联系号码:18923864027(同微信)
QQ:709211280
- 上一篇:电机mos管采样电阻设计,mos管取样电阻介绍
- 下一篇:最后一页
相关阅读