8个经典电工电路图
电工电路图(一)日光灯照明与两控一灯一插座线路

里面包含②单相电表的接线,两个⑨和一个⑩是一灯双控的接线,⑤⑥⑦⑧为日光灯的接线。这个电路非常的实用,是家装照明控制的经典案列。
电工电路图(二)线绕式异步电动机控制线路

转子绕组上串联电阻来改变电机的机械特性,从而实现小电流启动、增大启动转矩及调速的目的。利用了三个时间继电器和三个接触器相互配合,启动时,串入多级电阻然后分段切除。电机的转速会逐级提高,最后达到额定转速稳定运行。
电工电路图(三)三相四线电度表带互感器电路图

三相四线电表的接线要点:1、4、7接互感器的K1,3、6、9接互感器的K2并连一起做接地?;?,2、5、8接UVW三相电源,11为零线。
电工电路图(四)星/三角降压起动控制线路

经典的星三角降压启动,虽然比不上软启动,但是应用还是很广的。一个主接触器,一个星接触器,一个角接触器。通过时间继电器,实现自动转换的目的。
电工电路图(五)双重联锁正、反转控制线路

电机的正反转电路相来应用广泛,双重互锁提高了电路的安全性。2个接触器组成的电气互锁和2个启动按钮组成的机械互锁。
电工电路图(六)电动机单向两地控制线路

异地控制相对来说非常简单,要点就是:启动按钮并联,停止按钮串联。
电工电路图(七)电动机点动、连动控制

这个是基础电路,SB2按下去KM吸合自锁,SB3是点动按钮。
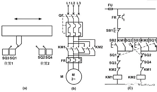
电工电路图(八)自动往返控制电路

自动往返电路和双重互锁电路其实是类似的,限位开关的触点和按钮开关的触点类似。所以两个行程开关机械互锁加两个接触器电气互锁。
如何看懂电子电路图
电子电路似乎比电气控制电路要复杂点,但是一样差不多的道理。
一张完整的电路图是由若干要素构成的,这些要素主要包括图形符号、文字符号、连线以及注释性字符等。下面我们通过图1所示无线话筒电路图的例子,作进一步的说明。
1、图形符号
图形符号是构成电路图的主体。图1为无线话筒电路图中,各种图形符号代表了组成无线话筒的各个元器件。例如小长方形表示电阻器,两道短杠表示电容器,连续的半圆形表示电感器等。各个元器件图形符号之间用连线连接起来,就可以反映出无线话筒的电路结构,即构成了无线话筒的电路图。
电工电路图
2、文字符号
文字符号是构成电路图的重要组成部分。为了进一步强调图形符号的性质,同时也为了分析、理解和阐述电路图的方便,在各个元器件的图形符号旁,标注有该元器件的文字符号。例如“R”表示电阻器,“C”表示电容器,“L”表示电感器,“VT”表示晶体管,“IC”表示集成电路等。
3、注释性字符
注释性字符也是构成电路图的重要组成部分,用来说明元器件的数值大小或者具体型号。例如图 1 中,通过注释性字符我们即可知道,电阻器R1的数值为 3.3kΩ,电容器C1 的数值为 10μF,晶体管VT的型号为9014,集成电路IC的型号为 μ PCl651等。
电路图的画法规则
除了规定统一的图形符号和文字符号外,电路图还遵循一定的画法规则。了解并掌握电路图的一般画法规则,对于看懂电路图是必不可少的。
1、电路图的信号处理流程方向
电路图中信号处理流程的方向一般为从左到右,即将先后对信号进行处理的各个单元电路,按照从左到右的方向排列,这是最常见的排列形式。例如图1所示无线话筒电路图,从左到右依次为话音信号接收 (BM)、音频放大 (VT)、高频振荡与调制 (IC)等单元电路。
2、连接导线
元器件之间的连接导线在电路图中用实线表示。导线的连接与交叉如图2所示,图2(a)横竖两导线交点处画有一圆点,表示两导线连接在一起。图2(b)两导线交点处无圆点,表示两导线交叉而不连接。导线的丁字形连接如图2(c)所示。

烜芯微专业制造二极管,三极管,MOS管,桥堆等20年,工厂直销省20%,1500家电路电器生产企业选用,专业的工程师帮您稳定好每一批产品,如果您有遇到什么需要帮助解决的,可以点击右边的工程师,或者点击销售经理给您精准的报价以及产品介绍