一、低通滤波器概述
低通滤波器在车载功放等众多电子设备中发挥着关键作用,其核心功能是允许低频信号顺畅通过,同时有效阻挡中、高频信号,实现对音频信号的精准过滤。通过滤除音频信号中的中音和高音成分,低通滤波器能够显著增强低音成分的能量,从而为扬声器的低音单元提供更强劲、更纯净的低频驱动信号,确保音频输出的低音部分更加深沉、饱满且富有力量感。在实际应用中,高通滤波器常常与低通滤波器联袂使用,二者协同工作,确保不同频率的声音信号能够精准地被导向至相应的发声单元,实现音频信号的合理分配与高效重放。
二、低通滤波器特点与用途
低通滤波器具备诸多显著特点,使其在各类电子系统中广泛应用:
低损耗高抑制:低通滤波器能够在确保低频信号低损耗传输的同时,对高频信号实施高效的衰减抑制,从而实现对不同频率信号的有效分离与精准控制。
分割点准确:具备明确的截止频率点,能够依据设定的频率参数,将音频信号中的低频、中频和高频成分进行精准划分,确保各频率段信号的处理与分配符合设计要求。
双铜管?;ぃ翰捎盟芙峁股杓疲行嵘寺瞬ㄆ鞯牡缙阅芎突滴榷ㄐ?,增强了滤波器在复杂电磁环境中的抗干扰能力,确保其长期稳定可靠地工作。
频蔽好防水功能强:良好的频率屏蔽性能使其能够有效抵御外界电磁干扰,保证滤波器自身的频率响应特性不受影响;同时,出色的防水设计使其适用于多种恶劣环境条件,进一步拓展了滤波器的应用范围。
在用途方面,低通滤波器广泛应用于各类通讯系统,例如CATV(有线电视)和EOC(以太网over同轴电缆)等系统。在这些系统中,低通滤波器能够有效地去除通频带以外的干扰信号以及多余的频段频率,确保传输信号的纯净度和完整性,从而提高系统的通信质量和信号传输效率。
三、低通滤波器设计实例与关键参数
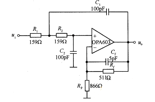
以10MHz低通滤波器为例,该滤波器采用带宽高达100MHz的高速电流反馈集成运放OPA603构建而成,形成一个性能优良的二阶巴特沃思低通滤波器。在电路设计中,关键元件参数的精准配置至关重要,具体为R1=R2=159Ω,C1=C2=100pF。通过这些参数的合理搭配,滤波器实现了预期的截止频率fc=1/(2πR1C1)=10MHz,并且具备零频增益G0=1+Rf/R=1.6。


四、截止频率的定义与计算
截止频率是描述滤波器频率响应特性的一个关键指标,它标志着滤波器通带与阻带的边界。具体而言,截止频率定义为当输入信号幅度保持恒定时,输出信号幅度下降至最大值的0.707倍所对应的频率点。在频域响应特性中,该点表现为幅频特性曲线的-3dB点,即功率衰减一半的位置。


从电路的系统函数模的角度出发,利用电路的放大倍数来计算截止频率?;诠?0lgA(ω)=-3dB,可得A(ω)=10^(-0.15)=0.707945784≈1/√2。由于A(ω)=|H(jω)|,进一步推导得出|H(jω)|²=1/2。
对于一个实际的滤波电路而言,其幅频特性曲线在高频端和低频端分别存在一个截止频率,分别被称为上截止频率和下截止频率。这两个截止频率所界定的频率区间即为该滤波器的通频带。例如,对于一个典型的带通滤波器,其通频带位于上下截止频率之间,而低通滤波器的通频带则从零频(直流)延伸至上截止频率,高通滤波器的通频带则从下截止频率延伸至无限远频率。
五、开环截止频率与闭环截止频率
开环截止频率,亦称为剪切频率,是开环幅频特性中,幅频特性曲线穿越0dB线时所对应的频率,通常用符号ωc表示。而闭环截止频率,也被称为带宽频率,是指当闭环幅频特性下降至频率为零时的分贝值以下3dB时对应的频率,以ωb表示。
尽管开环截止频率与闭环截止频率是分别用于描述开环系统和闭环系统的幅频特性的两个不同物理量,但二者之间却存在着一定的内在联系和相关性。具体表现为开环截止频率与闭环截止频率具有同向性特征,即开环截止频率ωc的增大或减小,会引起闭环截止频率ωb的同方向变化。并且,在一般情况下,闭环截止频率ωb会大于开环截止频率ωc,即ωb>ωc。
闭环截止频率对于表征闭环系统的瞬态响应速度具有重要意义。闭环截止频率ωb越高,表明系统的瞬态响应速度越快。由于开环截止频率ωc与闭环截止频率ωb具有同向性,因此可以通过分析系统的Bode图,借助开环截止频率ωc的高低来间接判断系统的瞬态响应速度。具体而言,剪切频率ωc越高,系统的瞬态响应速度则越快。
六、低通滤波器带宽与截止频率的关系
在电子学领域,带宽(B)通常被定义为截止频率(f=ωH/2π),即B=1/f=2π/ωH。从这个定义可以得出,低通滤波器的带宽实际上等同于其截止频率所对应的频率值。而在实际应用中,对于信号的负频率部分,往往需要借助希尔伯特变换器进行处理,以剔除负频率成分。这样做的好处是在信号调制过程中,能够有效地节约频谱资源,提高频谱利用率。
对于高通滤波器而言,通常较少提及带宽这一概念,更多的是关注其截止频率。而对于带通滤波器来说,其带宽与截止频率之间则存在着明显的区别。带通滤波器的带宽指的是其上下截止频率之间的频率范围,这与低通滤波器的带宽定义有所不同。
七、二阶低通滤波器截止频率公式
二阶低通滤波器的截止频率计算公式为:fc=1/(2π√(R1R2C1C2))。该公式清晰地展示了二阶低通滤波器的截止频率与其电路参数之间的定量关系,为滤波器的设计、调试与优化提供了重要的理论依据。
〈烜芯微/XXW〉专业制造二极管,三极管,MOS管,桥堆等,20年,工厂直销省20%,上万家电路电器生产企业选用,专业的工程师帮您稳定好每一批产品,如果您有遇到什么需要帮助解决的,可以直接联系下方的联系号码或加QQ/微信,由我们的销售经理给您精准的报价以及产品介绍
联系号码:18923864027(同微信)
QQ:709211280