电路反馈类型至关重要,它主要包括电压反馈与电流反馈,以及串联反馈和并联反馈。进一步地,依据反馈极性,可将电路反馈划分为正反馈和负反馈;依照反馈信号性质,又可分为交流反馈和直流反馈。
一、电流反馈与电压反馈的判定
一种简便且直观的判定方法如下:
首先,需确认反馈是否直接连接至 Uo 输出端。若并非直接从输出端引出,则可初步判定为电流反馈。
其次,进行假设操作,令输出电压 Uo 为零,或者使负载电阻 RL 两端电压归零,观察反馈信号是否依然存在。若反馈信号消失,表明反馈信号与输出电压呈比例关系,即可判定为电压反?。环粗?,若反馈信号依旧存在,则为电流反馈。
综合上述两种情况,只有当反馈同时满足直接连接至 Uo 输出端,且在输出电压为零或负载电阻 RL 两端电压为零时反馈信号消失,才能确定是电压反馈。除此之外的情况,皆归类为电流反馈。
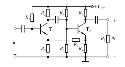
举例


若反馈引出点与输出点未直接相连,则属于电流反馈。


即使反馈连接至 Uo 输出端,但当负载电阻 RL 两端电压为零时,反馈依然存在,此种情况仍为电流反馈。
若电路同时符合反馈直接连接至输出端,且在 Uo = 0 时反馈也为零,则为典型的电压反馈。


当反馈并非直接连接至输出端时,可判定为电流反馈。
二、电路反馈类型的详细判断
电压反馈与电流反馈


若输出端的反馈取样点与输出电压 u0 的正极位于同一节点,则为电压反??;反之,若不在同一节点,则为电流反馈。


串联反馈与并联反馈
在输入端,若反馈信号与输入信号 ui 的正极接入同一输入端,则为并联反??;若非如此,即反馈信号与输入信号的正极接入不同输入端,则为串联反馈。
正反馈与负反馈
判断正反馈或负反馈,需依据信号的瞬时相位来进行。具体而言,观察反馈回路两端的电压极性,若同相则为正反馈,反相则为负反馈。
〈烜芯微/XXW〉专业制造二极管,三极管,MOS管,桥堆等,20年,工厂直销省20%,上万家电路电器生产企业选用,专业的工程师帮您稳定好每一批产品,如果您有遇到什么需要帮助解决的,可以直接联系下方的联系号码或加QQ/微信,由我们的销售经理给您精准的报价以及产品介绍
联系号码:18923864027(同微信)
QQ:709211280