电压反馈
电压反馈(voltagefeedback-VFB),在模拟电路中,若反馈量与输出电压(有时不一定是输出电压,而是取样处的电压)成正比则为电压反??;若反馈量与输出电流(有时不一定是输出电流,而是取样处的电流)成正比则为电流反馈。
对于交流反馈,根据反馈信号在放大电路输出端采样方式的不同进行分类,可以分为电压反馈和电流反馈。若反馈信号是从输出电压采样而得,反馈信号与输出电压成正比,则称为电压反??;若反馈信号是从输出电流采样而得,反馈信号与输出电流成正比,则称为电流反馈。
在判断电压反馈和电流反馈时,一般可以采用负载短路法。负载短路法实际上是一种反向推理法,假设将放大电路的负载电阻RL短路,此时,若输入回路中仍然存在反馈量,即则为电流反馈;若输入回路中已不存在反馈,即则为电压反馈。
电压反馈和电流反馈怎么判断
一个简易的判断方法:
先看反馈是否直接连到Uo输出端(若不是直接从输出端引出,则为电流反?。?/div>
再假设输出电压Uo为零,或者令负载电阻RL两端电压为0,然后看反馈信号是否存在。
若反馈信号不存在了,说明反馈信号与输出电压成比例,是电压反馈。
否则是电流反馈。
电压反馈和电流反馈判断例子


反馈引出点和输出点不直接相连,电流反馈


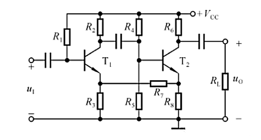
反馈连到Uo输出端,但是令负载电阻RL两端电压为0时,依然有反馈,所以是电流反馈。
下面这个是电压反馈。




这是电压反馈,因为该电路两个条件均满足:反馈直接连到输出端,并且Uo=0时,反馈也是0


反馈不是直接连到输出端,电流反馈


虽然反馈直接连到输出端(或者你认为Rf反馈电阻构成的电路不是直接连到Uo),但是设令负载电阻RL两端电压为0,反馈信号依然存在,是电流反馈。
总结:只有同时满足两个条件:反馈直接连到Uo输出端,输出电压为零,或者负载电阻RL两端电压为0时,反馈信号不存在了,那就是电压反馈。
其他全部都是电流反馈。
〈烜芯微/XXW〉专业制造二极管,三极管,MOS管,桥堆等,20年,工厂直销省20%,上万家电路电器生产企业选用,专业的工程师帮您稳定好每一批产品,如果您有遇到什么需要帮助解决的,可以直接联系下方的联系号码或加QQ/微信,由我们的销售经理给您精准的报价以及产品介绍
联系号码:18923864027(同微信)
QQ:709211280
相关阅读