atx电源
ATX电源(ATX Power Supply)是计算机的工作电源,作用是把交流220V的电源转换为计算机内部使用的直流5V,12V,24V的电源。
atx电源电路分析
ATX电源的核心电路:ATX电源的主变换电路与AT电源相同,也是采用“双管半桥它激式”电路,PWM(脉宽调制)控制器同样采用TL494控制芯片,但取消了市电开关。由于取消了市电开关,所以只要接上电源线,在变换电路上就会有+300V直流电压,同时辅助电源也向TL494提供工作电压,为启动电源作好准备。
ATX电源的特点就是利用TL494芯片第4脚的“死驱控制”功能,当该脚电压为+5V时,TL494的第8、11脚无输出脉冲,使两个开关管都截止,电源就处于待机状态,无电压输出。而当第4脚为0V时,TL494就有触发脉冲提供给开关管,电源进入正常工作状态。辅助电源的一路输出送TL494,另一路输出经分压电路得到“+5VSB”和“PS-ON”两个信号电压,它们都为+5V。
其中,“+5VSB”输出连接到ATX主板的“电源监控部件”,作为它的工作电压,要求“+5VSB”输出能提供10mA的工作电流。“电源监控部件”的输出与“PS-ON”相连,在其触发按钮开关(非锁定开关)未按下时,“PS-ON”为+5V,它连接到电压比较器U1的正相输入端,而U1负相输入端的电压为4.5V左右,这样电压比较器U1的输出为+5V,送到TL494的“死驱控制脚”,使ATX电源处于待机状态。
当按下主板的电源监控触发按钮开关(装在主机箱的面板上),“PS-ON”变为低电平,则电压比较器U1的输出就为0V,使ATX主机电源开启。再按一次面板上的触发按钮开关,使“PS-ON”又变为+5V,从而关闭电源。同时也可用程序来控制“电源监控部件”的输出,使“PS-ON”变为+5V,自动关闭电源。如在WIN9X平台下,发出关机指令,ATX电源就自动关闭。
atx电源电路图一
IC1(TL494)等组成PWM电路。PWM(Pules Width Modulation)即脉宽调制电路,其功能是检测输出直流电压,与基准电压比较,进行放大,控制振荡器的脉冲宽度,从而控制推挽开关电路以保持输出电压的稳定,主要由IC1 TL494及周围元件组成。
其单元电路原理如下图:


TL 494的简单工作原理是:当IC1的VCC端{12}脚得电后,内部基准电源即从其输出端{14}脚向外提供+5V参考基准电压(Vref)。首先,该参考电压分两路为IC1组件的各控制端建立起它们各自的参考基准电平:一路经由R38、R37组成的分压器为内部采样放大器的反相输入端{2}脚建立+2.5V的基准电平,另一路经由电阻R90、R40组成的分压器为“死区”电平控制输入端{4}脚建立约+0.15V的低电平;其次,Vref还向PS-ON软开/关机电路及自动保护电路供电。
在IC1{12}脚得电,且{4}脚为低电平的情况下,其{8}脚和{11}脚分别输出频率为50kHz(由定时元件C30、R41确定),相位相差180°的脉宽调制信号,经Q3、Q4放大,T2耦合,驱动Q1和Q2轮流导通工作,电源输出端可得到电脑所需的各组直流稳压电源。若使{4}脚为高电平,则进入IC1的“死区”,IC1停止输出脉冲信号,Q1、Q2截止,各组输出端无电压输出。电脑正是利用此“死区控制”特性来实现软开/关机和电源自动保护的。 D17、D18及C27用于抬高推动管Q3、Q4射极电平,使得当基极有脉冲低电平时Q3、Q4能可靠截止。
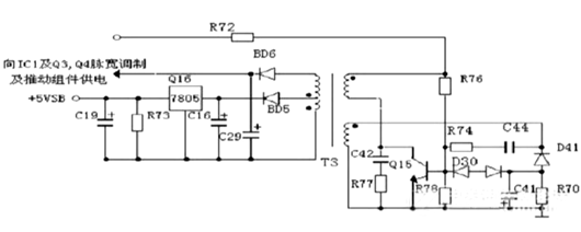
atx电源电路图二
整流滤波后产生的+300V直流电压还通过R72向以Q15、T3及相关元件组成直流辅助电源供电电路。R76和R78用来向Q15提供起振所需的初始偏流,R74和C44为正反馈通路。该辅助电源输出两路直流电源:一路经Q16稳压后送出+5VSB电源,作为电脑中主板“电源监控”部件的供电电源;另一路经BD6、C29整流滤波后向由IC1及Q3、Q4等组成的脉宽调制及推动组件供电。正常情况下,只要接通220伏市电,该辅助电源就能启动工作,产生上述两路直流电压。
其单元电路原理如下图:

〈烜芯微/XXW〉专业制造二极管,三极管,MOS管,桥堆等,20年,工厂直销省20%,上万家电路电器生产企业选用,专业的工程师帮您稳定好每一批产品,如果您有遇到什么需要帮助解决的,可以直接联系下方的联系号码或加QQ/微信,由我们的销售经理给您精准的报价以及产品介绍

〈烜芯微/XXW〉专业制造二极管,三极管,MOS管,桥堆等,20年,工厂直销省20%,上万家电路电器生产企业选用,专业的工程师帮您稳定好每一批产品,如果您有遇到什么需要帮助解决的,可以直接联系下方的联系号码或加QQ/微信,由我们的销售经理给您精准的报价以及产品介绍
联系号码:18923864027(同微信)
QQ:709211280