三相异步电动机接线详解
一、三相异步电动机概述
三相异步电动机是一种将 380V 三相交流电(各相相位差 120 度)转换为机械能的设备。其工作原理基于转子与定子旋转磁场同向但转速不同的特性,由此产生的转差率是其命名为三相异步电动机的关键因素。
当三相定子绕组(电角度相差 120 度)通入三相对称交流电时,会形成旋转磁场。该磁场切割转子绕组,在闭合的转子绕组中产生感应电流。载流的转子导体在定子旋转磁场作用下形成电磁力,进而在电机转轴上产生电磁转矩,驱动电动机旋转,且电机旋转方向与旋转磁场方向一致。
二、三相异步电动机基本接线
三相异步电动机绕组引出的六根线可组成两种基本接法:三角形(△)接法和星形(Y)接法。这六根线对应三个电机绕组,每个绕组包含一个首端和一个尾端。使用万用表测量同绕组首尾端时,应呈现导通状态,即 U1—U2,V1—V2,W1—W2。


三、电动机正反转控制接线
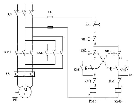
实现三相异步电动机正反转的常用方法是在正转线路基础上改变电动机定子绕组的任意两相电源相序。
具体实施中,通常采用两个接触器(KM1、KM2)换接电动机三相电源的相序来达成正反转功能。然而,必须防止两个接触器同时吸合,否则会导致电源短路事故。为此,需在电路中设置可靠的互锁环节。


(一)正向启动过程
合上空气开关 QF,接通三相电源。
按下正向启动按钮 SB3,KM1 通电吸合并实现自锁,其主触头闭合,接通电动机。此时电动机的相序为 L1、L2、L3,处于正向运行状态。
(二)反向启动过程
合上空气开关 QF,接通三相电源。
按下反向启动按钮 SB2,KM2 通电吸合并借助辅助触点自锁,??鞔ネ繁蘸希被唤拥缍嗟牡缭聪嘈?,电动机的相序变为 L3、L2、L1,进入反向运行状态。
(三)互锁环节
接触器互锁 :在 KM1 线圈回路中串入 KM2 的常闭辅助触点,在 KM2 线圈回路中串入 KM1 的常闭触点。当正转接触器 KM1 线圈通电动作后,KM1 的辅助常闭触点会断开 KM2 线圈回路。若要使 KM1 得电吸合,必须先让 KM2 断电释放,待其辅助常闭触头复位,从而有效避免 KM1、KM2 同时吸合引发的相间短路,此即为互锁环节的关键作用。
按钮互锁 :该控制电路采用控制按钮操作的正反转控制方式。按钮 SB2、SB3 均具备两个常开触点和两个常闭触点,分别与 KM1、KM2 线圈的回路相连。例如,SB2 的常开触点与接触器 KM2 线圈串联,常闭触点与接触器 KM1 线圈回路串联;SB3 的??サ阌虢哟テ?KM1 线圈串联,常闭触点与接触器 KM2 线圈回路串联。如此一来,按下 SB2 时,仅 KM2 线圈通电,KM1 断电;按下 SB3 时,仅 KM1 线圈通电,KM2 断电。即便同时按下 SB2 和 SB3,两个接触器线圈也无法通电,从而保障了电路的互锁功能。
需注意,KM1 和 KM2 线圈严禁同时通电,否则极易造成主回路电源短路,引发严重危险。
(四)其他运行说明
当电机处于正向(或反向)启动运行状态时,无需先按下停止按键,可直接按下反向(或正向)启动按键,使电动机切换至反方向运行。
电动机的过载?;ねǔS扇燃痰缙鳎‵R)完成。


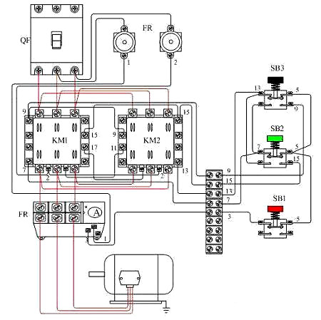
四、电动机可逆运行控制电路调试
首先检查主回路接线是否正确。为确保两个接触器动作时能可靠调换电动机相序,接线时应保证接触器上口接线一致,在接触器下口进行调相操作。
经确认接线无误后,进行通电试验。为防止意外发生,通电试验时应先断开电动机的接线。
〈烜芯微/XXW〉专业制造二极管,三极管,MOS管,桥堆等,20年,工厂直销省20%,上万家电路电器生产企业选用,专业的工程师帮您稳定好每一批产品,如果您有遇到什么需要帮助解决的,可以直接联系下方的联系号码或加QQ/微信,由我们的销售经理给您精准的报价以及产品介绍
联系号码:18923864027(同微信)
QQ:709211280