提升驱动电流能力的电路方案
在电子电路设计中,仅依靠单片机 IO 口来驱动 MOS 管以实现快速开关操作较为困难,毕竟单片机 IO 口的驱动能力有限。采用两个三极管搭建推挽输出驱动电路是一种成本较低且效果良好的解决方案。


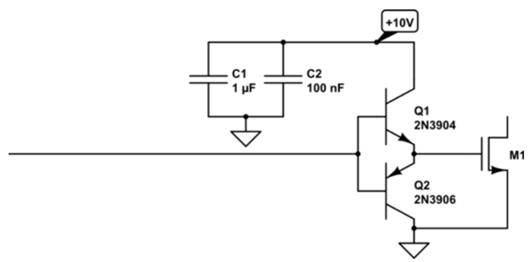
一、PNP 加速关断驱动电路
(一)工作原理
利用 PNP 三极管加速 NMOS 关断的电路设计如下图所示。在开启状态下,电流经二极管 D 流通;而在关断状态下,PNP 三极管则主动从 G 极汲取电流。


(二)动态过程电流流向
下图展示了 PNP 加速 NMOS 关断的动态过程电流流向。当控制端从低电平切换至高电平时,Vbe > 0,Q2 关断,充电电流经二极管 D 流入,Q1 开启;当控制端从高电平切换至低电平时,G 极电平不会瞬间改变,此时 Vbe < -0.7 V,Q2 导通,Q2 快速从 G 极汲取电荷,促使 G 极电平迅速下降,实现 Q1 的快速关断。


(三)电路特点与元件作用
PNP 加速关断电路因其加速三极管的作用,可实现瞬间的栅源短路,从而达到最短的放电时间。二极管的加入一方面可?;と芑硪环矫嫖纪ǖ缌魈峁┗芈芳捌?。
(四)优缺点分析
该电路的优点在于能够近似实现推拉效果,加速效果显著。其主要缺点是由于栅极经过两个 PN 节,无法真正使栅极达到 0 V(GND),但此时电压已足够低,不会影响 NMOS 的完全关断。
二、NPN 加速关断驱动电路
(一)工作原理
使用 NPN 三极管加速 PMOS 关断的电路如下图所示。在关断时,电流经二极管 D 流通;而在导通时,NPN 三极管则主动向 G 极灌入电流。


(二)动态过程电流流向
下图展示了 NPN 加速 PMOS 关断的动态过程电流流向。当控制端从高电平切换至低电平时,Vbe < 0,Q1 关断,放电电流经二极管 D 流出,Q2 开启;当控制端从低电平切换至高电平时,G 极电平不会瞬间改变,此时 Vbe > 0.7 V,Q1 导通,Q1 快速向 G 极灌入电荷,促使 G 极电平迅速上升,实现 Q2 的快速关断。


〈烜芯微/XXW〉专业制造二极管,三极管,MOS管,桥堆等,20年,工厂直销省20%,上万家电路电器生产企业选用,专业的工程师帮您稳定好每一批产品,如果您有遇到什么需要帮助解决的,可以直接联系下方的联系号码或加QQ/微信,由我们的销售经理给您精准的报价以及产品介绍
联系号码:18923864027(同微信)
QQ:709211280