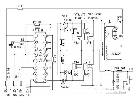
400W大功率稳压逆变器电路
驱动控制电路 :TL494 的第 8、11 脚为内部驱动输出三极管集电极,第 12 脚为其前级供电端,此三端通过开关 S 控制 TL494 的启动与停止。当 S1 关断时,TL494 无输出脉冲,开关管 VT4-VT6 无电流。S1 接通时,此三脚电压值为蓄电池的正极电压。第 9、10 脚为内部驱动级三极管发射极,输出两路时序不同的正脉冲。第 14 脚输出 5V 基准电压,使第 13 脚有 5V 高电平,控制门电路,触发器输出两路驱动脉冲,用于推挽开关电路。
主变电路 :由 VT1、VT2、VD3、VD4 构成灌电流驱动电路,驱动两路各两只 60V/30A 的 MOSFET 开关管,再经升压变压器 T1 耦合输出约 235V 的交流(方波)电压。如需提高输出功率,每路可采用 3-4 只开关管并联应用,电路不变。


稳压电路 :第 1、2 脚构成稳压取样、误差放大系统,正相输入端 1 脚输入逆变器次级取样绕组整流输出的 15V 直流电压,经 R1、R2 分压,使第 1 脚在逆变器正常工作时有近 4.7-5.6V 取样电压。反相输入端 2 脚输入 5V 基准电压(由 14 脚输出)。当输出电压降低时,1 脚电压降低,误差放大器输出低电平,通过 PWM 电路使输出电压升高。
过压?;さ缏?:第 15 脚外接 5V 电压,成为误差放大器反相输入的基准电压,以和同相输入端 16 脚构成高电平保护输入端。当第 16 脚输入>5V 时,可通过稳压作用降低输出电压,或关断驱动脉冲而实现?;ぁ5谒つ姹淦髦惺涑龀沟目赡苄约负趺挥?,故该电路中第 16 脚未用,改由电阻 R8 接地。
1000W 逆变器工作原理及电路图


工作原理 :该功率逆变器电路将提供非常稳定的 “方波” 输出电压。操作频率由电位器决定,通常设置为 60Hz??梢允褂酶髦?“现成的” 变压器,或者自行定制变压器以获得最佳效果。
电路图细节 :额外的 MOS 管可以并联以获得更高的功率。建议在电源线上安装 “保险丝” 并始终连接 “负载”,同时接通电源。保险丝额定电压为 32 伏,每 100 瓦输出应大约为 10 安培。电源引线必须足够重,以处理此高电流消耗。适当的散热器应该用在 MOSFET 上,以确保良好的散热性能。
1000W 逆变器电路图

〈烜芯微/XXW〉专业制造二极管,三极管,MOS管,桥堆等,20年,工厂直销省20%,上万家电路电器生产企业选用,专业的工程师帮您稳定好每一批产品,如果您有遇到什么需要帮助解决的,可以直接联系下方的联系号码或加QQ/微信,由我们的销售经理给您精准的报价以及产品介绍

〈烜芯微/XXW〉专业制造二极管,三极管,MOS管,桥堆等,20年,工厂直销省20%,上万家电路电器生产企业选用,专业的工程师帮您稳定好每一批产品,如果您有遇到什么需要帮助解决的,可以直接联系下方的联系号码或加QQ/微信,由我们的销售经理给您精准的报价以及产品介绍
联系号码:18923864027(同微信)
QQ:709211280