同步整流技术解析
同步整流技术是一种先进的整流方案,它采用通态电阻极低的电力 MOSFET 来取代传统的整流二极管。这一创新举措能够显著降低整流电路的损耗,进而大幅提高 DC/DC 变换器的效率,完美适配低压、大电流整流器的应用需求。
在低压大电流场景下,电力 MOSFET 的导通压降相比二极管有着明显的优势。选用低压电力 MOSFET 作为整流器件,不仅可以提升电路的整体效率,还能有效减轻散热压力,推动电源设备向小型化发展。
一、同步整流电路对比传统整流电路
(一)传统开关电源整流电路
如图 1 所示,这是传统的开关电源整流电路。其中,Q 是开关管,T 是开关变压器,D 是整流二极管,C 是滤波电容。整流二极管 D 利用其单向导电性,独立完成对开关变压器次级 L2 两端交变电势的整流任务。


(二)同步整流电路
图 2 展示了采用 MOS 管 Q2 取代整流二极管 D 的开关电源整流电路。从图中可以清楚地看到,原本的整流二极管 D 被 MOS 管 Q2 取代。MOS 管是一种受栅极电压控制的双向导通开关元件,自身并不具备单向导电性。因此,要想利用 MOS 管实现如同整流二极管般的单向导电整流效果,就必须在 Q2 的栅极施加一个与被整流电压振幅同步变化的同步激励信号,如图 3 所示。


二、同步整流电路工作原理
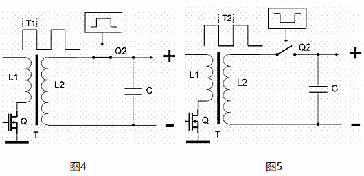
(一)导通阶段(T1)
在 T1 时间,如图 4 所示,L2 上端呈现 “正” 电压。此时,Q2 的激励电路向 Q2 提供一个使其导通的高电平信号。Q2 导通后,输出电压为 “正”,对电容 C 进行充电,同时向负载供电。
(二)截止阶段(T2)
在 T2 时间,如图 5 所示,L2 上端变为 “负” 电压。这时,Q2 的激励电路向 Q2 提供一个使其截止的低电平信号。Q2 截止后,输出电压降为 “零”,此时由电容 C 在 T1 时间储存的电能开始释放,维持对负载的供电。
通过对比可以看出,以 MOSFET 取代普通整流二极管所构成的整流电路,在电路功能和效果上与传统电路完全一致。然而,同步整流电路必须额外增加一个控制 Q2(MOSFET)“导通 / 关闭”的激励电路,且该激励信号必须与被整流电压的相位保持严格同步。这也是同步整流电路得名的由来。


三、采用 MOSFET 作为整流元件的优越性
(一)降低损耗
采用低导通电阻的 MOS 管作为整流元件,相比传统的二极管整流方式,能够显著降低整流过程中的损耗。MOS 管的导通和截止动作受栅极电压精准控制,通过巧妙地施加与被整流交变电压同步的驱动信号,实现对 MOS 管的精准控制。具体而言,在被整流电压的正半周到来时,控制 MOS 管导通;而在负半周到来时,控制 MOS 管截止。由于 MOS 管的导通和截止状态必须与被整流电压的相位高度同步,因此这种整流方式被称为同步整流。
(二)提升效率与散热性能
同步整流技术的应用,不仅有效降低了整流过程中的能量损耗,还显著提升了电路的整体效率。同时,由于损耗的降低,散热压力也随之减轻,这对于电源设备的小型化设计具有重要意义。在低压、大电流的应用场景中,同步整流技术的优势尤为突出,能够满足现代电子设备对于高效率、小尺寸电源的迫切需求。此外,同步整流技术还在一定程度上提高了电源的可靠性,减少了因过热等问题导致的故障风险,为电子设备的稳定运行提供了有力保障。
综上所述,同步整流技术作为一种高效的整流方案,在电源设计领域具有广阔的应用前景。随着电子设备对于电源性能要求的不断提高,同步整流技术将继续发挥其重要作用,推动电源技术的持续发展和创新。
〈烜芯微/XXW〉专业制造二极管,三极管,MOS管,桥堆等,20年,工厂直销省20%,上万家电路电器生产企业选用,专业的工程师帮您稳定好每一批产品,如果您有遇到什么需要帮助解决的,可以直接联系下方的联系号码或加QQ/微信,由我们的销售经理给您精准的报价以及产品介绍
联系号码:18923864027(同微信)
QQ:709211280