电动车控制器作为电动车的核心控制部件,扮演着类似大脑的角色,精确调控着电动车的启动、运行、进退、速度与停止等关键功能,同时管理其他电子元件的运行。它的存在对电动车的整体性能至关重要,其设计品质直接关系到车辆性能与运行状态。
电动车控制器原理
电动车控制器主要由周边器件和主芯片(或单片机)构成。周边器件,包括电阻、传感器、桥式开关电路等,负责执行和采样等任务,为单片机提供必要的支持。单片机,或称微控制器,集成了存储器、译码器、锯齿波发生器、脉宽调制功能电路以及驱动电路和输入输出端口。通过这些组件的协同工作,控制器实现对电机转速的精准控制,进而调节电动车的速度。
控制器的设计和品质对整车性能有着显著影响。不同品质的控制器在同一车辆、同一电池条件下,也可能导致续航能力的显著差异。
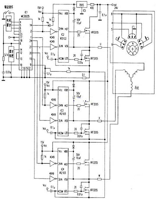
24V电动车控制器电路


对于24V电动自行车的无刷控制器电路,其设计涉及隔离二极管和自举电容等关键元件。这些元件确??刂破魑榷ㄔ诵?,保障电动车的正常操作。
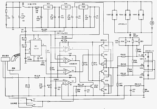
48V电动车控制器电路


48V电动车通常采用有刷电动机控制器,其电路设计更为复杂。例如,使用LM339的48V/500W控制器电路,通过特定的芯片和电路布局,实现对更高电压和功率的精确控制,满足电动车在不同工况下的需求。
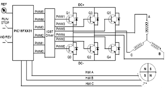
60V电动车控制器电路


60V电动车控制器电路的设计则需要考虑更高的电压要求。其控制器电路通过优化的组件配置和电路设计,确保在更高的电压下仍能保持稳定和高效,为电动车提供可靠的动力支持。
不同电压等级的控制器电路设计反映了电动车技术的多样性和复杂性??刂破鞯挠呕杓撇唤瞿芴嵘缍档男阅?,还能增强其可靠性和安全性。
〈烜芯微/XXW〉专业制造二极管,三极管,MOS管,桥堆等,20年,工厂直销省20%,上万家电路电器生产企业选用,专业的工程师帮您稳定好每一批产品,如果您有遇到什么需要帮助解决的,可以直接联系下方的联系号码或加QQ/微信,由我们的销售经理给您精准的报价以及产品介绍
联系号码:18923864027(同微信)
QQ:709211280