传真:
18923864027
QQ:
709211280
地址:
深圳市福田区振中路84号爱华科研楼7层
电路板元件介绍,电路板元件符号大全图怎样看懂电路板上的元件?1、电路板上都有标示,R开头的是电阻,L开头的是电感线圈(通常为线圈缠绕在
TVS与ESD的区别,TVS和ESD哪种防静电好ESD(Electrostatic Discharge,静电放电)和 TVS(Transient Voltage Suppressor,瞬态电压抑制
RC低通滤波器,滤波器截止频率计算公式介绍基础滤波器是由电阻和电容构建的RC滤波器,有低通和高通滤波器之分。RC滤波器的截止频率的计算公
电阻的计算公式与电阻的单位是什么电阻(Resistance,通常用R表示)是一个物理量,在物理学中表示导体对电流阻碍作用的大小。导体的电阻越
电容q值是什么,电容q值公式,电容原理介绍电容q值详解电容的Q值(或称为电荷量)是指电容器中存储的电荷量。电容器存储的电荷量与电容器的电
零序电压,解析零序电流是什么零序电压简介零序电压是当中性点直接接地系统(又称大电流接地系统)中发生接地短路时出现的电流?;褂性谥行?
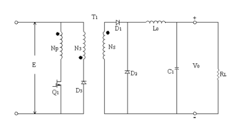
正激电路图,正激电路工作原理介绍正激电路介绍正激电路是指能够发生正激现象的电路,正激是当变压器原边开关管导通时同时能量被传递到负载
mos管替代原则,常用元器件替代原则介绍mos管替代基本原则:1 功能替代原则:选择具有相同或相似功能的器件进行替代。2 参数替代原则:选择
avdd和dvdd区别,电路中的avdd与dvdd详解关于avdd和dvdd数字模块和模拟??槭褂猛桓龅缭垂┑缁蛘叻挚┑纭5蹦D庹缭春褪终缭匆臕
MOS管击穿损坏的几种情况,图文解析MOS管击穿损坏的几种情况:雪崩破坏,器件发热损坏,内置二极管破坏,由寄生振荡导致的破坏,栅极电涌、
TL431引脚图与参数,TL431工作原理,TL431电路介绍TL431是具有三个端子的可调并联稳压器。它的输出电压用两个电阻就可以设置从Vref(2 5V)到
全桥逆变电路分享,全桥逆变电路原理介绍把直流电变为交流电称为逆变,逆变电路的应用非常广泛。当需要蓄电池、干电池、太阳能电池等直流电