ESD(Electrostatic Discharge,静电放电)和 TVS(Transient Voltage Suppressor,瞬态电压抑制器)都是用于保护电路免受静电放电和瞬态电压损害的元器件,但它们的工作原理和应用场景有所不同。
ESD(静电放电):
ESD 是一种静电?;ぴ?,主要用于?;さ缱由璞该馐芫驳绶诺绲挠跋臁SD 通常采用陶瓷材料或多层金属氧化物制成,具有快速响应和低电容的特点。它主要用于吸收和释放设备上的静电电荷,以保护电路免受静电放电的损害。
TVS(瞬态电压抑制器):
TVS 是一种用于抑制电路中瞬态电压的元件,通常采用半导体材料制成。TVS 在电路中起到瞬态电压抑制作用,能够抑制电源线、信号线和数据线上的瞬态过电压,从而保护电路免受瞬态电压的损害。
选择TVS一般是看器件的功率和封装,ESD器件一般看中的是它的ESD rating (HBM/MM)和IEC61000-4-2的LEVEL,高速的USB和I/O很重视它的容值。
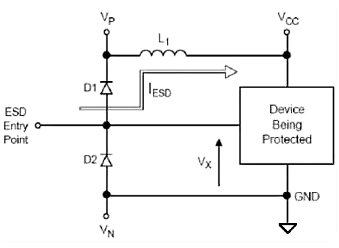
TVS管有两个引脚,是两脚器件;而ESD抑制二极管有三个引脚,是三脚器件。ESD抑制二极管两个二极管串起来后,引出三根引脚。其电路符号分别如下图所示。


TVS主要用在电源输入端起到防浪涌的作用,瞬间吸收浪涌电流对后级电路起到保护作用。ESD二极管的正负接在电源引脚,公共端接在被?;ひ派掀鸬绞头啪驳绲淖饔?。
常见的esd?;さ缏啡缦峦迹?br />


TVS管和ESD管的对比:
--ESD二极管应用板级防静电,然而防静电要求电容值低,一般在1--3.5PF之间最好;
--TVS管用于初/次级?;?TVS管的电容值却比较高。
-- ESD二极管看的是ESD二极管抗静电等级LEVEL,高速的USB和I/O非常重视ESD二极管的C(负载电容);
--TVS管看的是功率和封装形式;
--TVS管是瞬态抑制二极管,具有很快的响应能力和强大的浪涌吸收能力,主要用在电源输入端用来吸收浪涌的;
--ESD是静电放电管,主要用在关键引脚上起到静电保护作用。
--TVS管有两个引脚,是两脚器件;TVS主要用在电源输入端起到防浪涌的作用,瞬间吸收浪涌电流对后级电路起到保护作用。
--ESD有三个引脚,是三脚器件。ESD管两个三极管串起来后,引出三根引脚。ESD二极管的正负接在电源引脚,公共端接在被?;ひ派掀鸬绞头啪驳绲淖饔谩?/div>
选择 ESD 和 TVS 时,需要考虑以下几个方面:
1. 工作电压范围:根据电路的工作电压范围选择合适的 ESD 或 TVS,确保其在正常工作范围内具有良好的性能。
2. 静电放电能力:根据电路可能承受的静电放电电压选择合适的 ESD,以确保其能够有效地吸收和释放静电电荷。
3. 瞬态电压抑制能力:根据电路可能遭受的瞬态电压选择合适的 TVS,以确保其能够有效地抑制瞬态电压。
4. 电容和响应速度:根据电路的特性和要求选择合适的 ESD 或 TVS 的电容和响应速度。
〈烜芯微/XXW〉专业制造二极管,三极管,MOS管,桥堆等,20年,工厂直销省20%,上万家电路电器生产企业选用,专业的工程师帮您稳定好每一批产品,如果您有遇到什么需要帮助解决的,可以直接联系下方的联系号码或加QQ/微信,由我们的销售经理给您精准的报价以及产品介绍
联系号码:18923864027(同微信)
QQ:709211280
相关阅读