传真:
18923864027
QQ:
709211280
地址:
深圳市福田区振中路84号爱华科研楼7层
测判三极管的口诀三极管三极管,全称应为半导体三极管,也称双极型晶体管、晶体三极管,是一种控制电流的半导体器件其作用是把微弱信号放大
mos管导通电阻mos管导通特性与条件(一)mos管导通特性金属-氧化层半导体场效晶体管,简称金氧半场效晶体管(Metal-Oxide-Semiconductor F
mos管栅极电阻的作用mos管栅极简介在了解mos管栅极电阻的作用之前,我们先了解一下mos管栅极及其他2个极的基础知识。场效应管根据三极管的
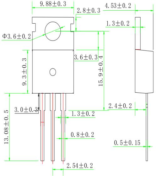
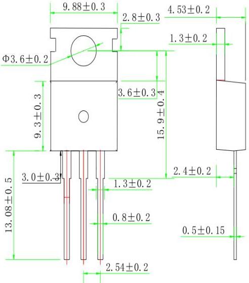
TO-220TO-220与TO-220F的区别下文将会讲到,现在了解一下TO-220与TO220F是什么?TO-220封装外形( Transistor Outline Package)是一种大
深谈MOSFET的原理MOSFET广泛使用在模拟电路与数字电路中,和我们的生活密不可分。MOSFET的优势在于:首先驱动电路比较简单。MOSFET需要的驱
什么是mos管mos管是金属(metal)、氧化物(oxide)、半导体(semiconductor)场效应晶体管,或者称是金属—绝缘体(insulator)、半导体。MOS管的s
TO-251封装TO-251封装是直插式的封装,MOS管芯片在制作完成之后,需要给MOSFET芯片加上一个外壳,即MOS管封装。MOSFET芯片的外壳具有支撑、保
MOS管TO-3P封装-TO-220F封装TO-220F封装是全塑封装,上到散热器上不必加绝缘垫。TO-220带金属片与中间脚相连的,如装散热器的话要加绝缘垫
TO-3P封装MOS管封装MOS芯片在制作完成之后,需要给MOSFET芯片加上一个外壳,即MOS管封装。MOS芯片的外壳具有支撑、?;?、冷却的作用,同时还为
场效应管与BJT管对应场效应管场效应晶体管(Field Effect Transistor缩写(FET))简称场效应管。主要有两种类型(junction FET—JFET)和
开关电源 元器件电子元器件电子元器件是电子元件和电小型的机器、仪器的组成部分,其本身常由若干零件构成,可以在同类产品中通用;常指电
控制器的mos管的作用控制器控制器(英文名称:controller)是指按照预定顺序改变主电路或控制电路的接线和改变电路中电阻值来控制电动机的