TO-220与TO-220F的区别下文将会讲到,现在了解一下TO-220与TO220F是什么?TO-220封装外形( Transistor Outline Package)是一种大功率晶体管、中小规模集成电路等常采用的一种直插式的封装形式。其中,TO英文是 Transistor Outline的缩写。通常,TO-220为单排直插,一般可以引出3个、5个或7个脚。标准的TO-220封装外形(七个引脚)。
TO-220F
TO-220与TO-202F外型基本相同,都是2.54mm脚距的3脚单列直插封装。TO-220F是全塑封装,上到散热器上不必加绝缘垫。TO-220带金属片与中间脚相连的,如装散热器的话要加绝缘垫。
TO-220与TO-220F的区别
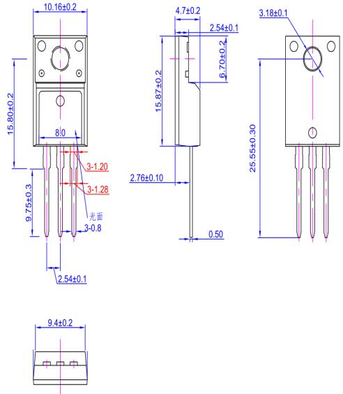
(一)TO-220与TO-220F外观及封装尺寸的区别


TO-220


TO-220F
(二)TO-220与TO-220F性能比较与区别
TO-220、TO-220F:TO-220F是全塑封装,装到散热器上时不必加绝缘垫;TO-220带金属片与中间脚相连,装散热器时要加绝缘垫。这两种封装样式的MOS管外观差不多,可以互换使用。
在电子元器件采购的很多时候,由于度 TO-220 .TO-220F 的不了解,性能无从的得知,其之间的区别也无法分清楚,很多时候就因为这样发生一些小麻烦。下面我们就来讲讲TO-220 与 TO-220F,从而让的大家了解并便于选购。
TO-220和TO-220F两个封装的Pd不同,源于两种封装的Rjc不同所致,Tj一般是到150℃,认为Tj=Tc+Pd*Rjc,其中,Tc是离晶圆最近的结构外壳的温度,Pd是MOSFET上承载的功耗,Rjc是Juction to case的热阻。
为什么要分这两种封装呢?
很重要的一个原因是散热TO-220的封装后面是一块铁片,总所皆知,铁的导热性是非常好,可以有效的解决散热的问题。
那么就有人会问了,TO-220F 是全塑封的,那岂不是起不到散热的作用了?
答案肯定是不会的啦,在通风条件良好的情况下使用,就要考虑到一个绝缘性的问题了。 TO-220F 全塑料包裹,使产品的缘性大大提升,也会因空气潮湿而发生漏电现象。简单来说,TO-220的Rjc小于TO-220的Rjc,TO-220封装的散热优于TO-220F封装的散热,220F的绝缘好些,220的效率相对来讲会稍大点,但是差异并不是特别明显。
烜芯微专业制造二三极管,MOS管,20年,工厂直销省20%,1500家电路电器生产企业选用,专业的工程师帮您稳定好每一批产品,如果您有遇到什么需要帮助解决的,可以点击右边的工程师,或者点击销售经理给您精准的报价以及产品介绍
烜芯微专业制造二三极管,MOS管,20年,工厂直销省20%,1500家电路电器生产企业选用,专业的工程师帮您稳定好每一批产品,如果您有遇到什么需要帮助解决的,可以点击右边的工程师,或者点击销售经理给您精准的报价以及产品介绍