传真:
18923864027
QQ:
709211280
地址:
深圳市福田区振中路84号爱华科研楼7层
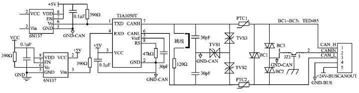
CAN收发器电气保护电路图与原理CAN总线的电气?;ご盎罩泄た鎏跫侄窳?,各种电磁干扰对物理链路及数据链路的正常工作都有严重的影响
解决LED驱动电源电磁干扰的三大硬件知识在LED电源的设计过程中,电磁干扰EMI是个不小的难题,文章从硬件着手,介绍了三大抗干扰措施。首先
常用过流-过压-过温?;さ缏返难⌒图记伤孀诺缱酉低车母丛有院图啥仍嚼丛礁?,而工作电压越来越低,电子系统对可靠性、稳定性和安全性的要
怎么提高CAN总线接口防护设计的可靠性随着计算机技术、通信技术和控制技术的发展,传统的工业控制领域正经历着一场前所未有的变革,而工业
上拉电阻与下拉电阻知识上拉电阻:1、当TTL电路驱动COMS电路时,如果TTL电路输出的高电平低于COMS电路的最低高电平(一般为3 5V),这时就
钳位二极管与?;ぴ?TVS管)钳位二极管其实就是TVS 管,也就是瞬态抑制二极管的简称(Transient Voltage Suppressor)。它是在稳压二极
解析PCB设计中控制ESD的基本方法有哪些静电不能被消除,只能被控制。控制ESD的基本方法:堵;从机构上做好静电的防护,用绝缘的材料把PCB板
变频器软故障的原因与两大解决方法变频器软故障的发生情况非常多,这也是普通存在于各类变频器运行过程中的故障之一。那么我们如何来减少变
反激式开关电源应用电路设计图解开关电源本身种类繁多,设计方法也复杂多样,因此研究一种简洁的方法去快速设计出所需要的通用型高效率,低
无电解电容LED驱动电路的设计图解针对现有LED驱动电路存在电解电容限制寿命的不足,提出了一种无电解电容的LED驱动电路的设计方法。该方法
晶闸管的工作原理及应用简介:工频正弦半波的全导通电流在一个整周期内的平均值,是在环境温度为40℃稳定结温情况下不超过额定值,所允许的最
变频器的典型主线路解析在分析变频器的故障时,有时如果知道变频器的电路原理,可以能更好地分析故障发生的原因。一、交-直变换部分1、VD1