传真:
18923864027
QQ:
709211280
地址:
深圳市福田区振中路84号爱华科研楼7层
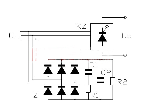
励磁系统过电压?;ぷ爸媒馕? 防止交、直流系统中暂态过电压?;ぷ爸盟得鞑缪沟脑?,除了大气过电压外,主要是由于系统中断路器操
开关电源中的散热器要怎么接地开关电源中的散热器,主要用于三个地方:整流桥,主MOSFET,次级整流二极管。主要又有以下几个地:原边地,次
有源电力滤波器在大功率变频器供电电网中的应用知识0 引言近年来,由于变频调速和节能的需要,变频器已经广泛应用于电力、机械、工业、生
6kv变频器原理图解电网电压经过移相变压器降为1750v,经整流桥d整流,然后进入由电容器cc、cd、电感lc、电阻rc、二极管ds组成的缓冲电路,
开关电源转换效率的测量方法介绍本文将向大家介绍测量开关电源转换效率的两种不同方法。第一种方法使用一个瓦特表和两个万用表;第二种方法
电源CT及无源继保配合的缺陷分析与解决方案摘要:在电力系统中为了实现智能电网,需要对电网中的各个节点,能实现遥信、遥测、???,以及其
变频器干扰的解决方法-怎么解决变频器的电磁干扰变频器(Variable-frequency Drive,VFD)是应用变频技术与微电子技术,通过改变电机工作
TVS管与其在电路设计详解瞬态电压抑制器是一种二极管形式的高效能?;て骷?,具有极快的响应时间和相当高的浪涌吸收能力。当TVS的两端受到反
直流固态继电器及交流固态继电器区别1 什么是固态继电器,有什么优缺点?固态继电器(亦称固体继电器)英文名称为Solid State Relay,简称SS
PWM技术应用在逆变器中的几大优点介绍逆变器的脉宽调制技术PWM是一种参考波为调制波,而以N倍于调制波频率的正三角波为载波。由于正三角波
高频开关电源设计及应用实例传统的工频交流整流电路,因为整流桥后面有一个大的电解电容来稳定输出电压,所以使电网的电流波形变成了尖脉冲
有线充电及无线充电优劣对比与测试难点一、有线充电的类型和原理有线充电的方式大家一定不陌生了,日常生活中的很多场合都用到了有线充电,