传真:
18923864027
QQ:
709211280
地址:
深圳市福田区振中路84号爱华科研楼7层
MOS管,IGBT米勒平台的解析米勒平台的形成与其材料、制造工艺息息相关,当GE之间电压大于阈值点的时候,管子的CE电压开始下降,但是下降的速
MOS管的工作状态与NMOS管的I V特性曲线介绍MOS管的工作状态分为以下4个区域,以NMOS为例:(1)截止区:当VGS(2)线性区:当VGS>Vth, 且0此时
MOS管的开关损耗计算介绍开关损耗计算1、CCM 模式开关损耗CCM 模式与 DCM 模式的开关损耗有所不同。先讲解复杂 CCM 模式,DCM 模式
关于MOS管功率选型解析MOS管有两大类型:N 沟道和 P 沟道。在功率系统中,MOS管可被看成电气开关。当在 N 沟道MOS管的栅极和源极间加
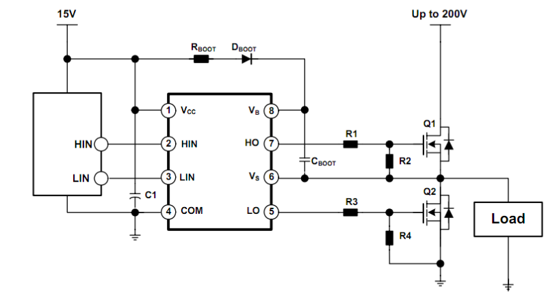
MOS管驱动的电容自举电路工作原理和器件选型介绍说到升压电路,大部分人第一反应是BOOS升压电路,今天我们就介绍一下成本更低的电容自举升
MOS管沟道夹断了为什么还能将恒定载流子发送过去对于MOS管这样一个三端口器件,先不看源极,就看栅极和漏极??梢哉庋惫鄣睦斫庹ぜ缪筕g
单片机I O口驱动MOS管电路原理解析为什么经??吹皆谑褂玫テ鶬 O口驱动MOS管时,不是使用单片机I O口直接驱动,而是经过一级三极管,使用
MOS管与三极管的电源开关电路设计介绍三极管与MOS管组成的电源开关电路一定是NPN与PMOS管组合么?PNP与NMOS管可以组合么?那今天我们就来讲
MOS管设计防反接电路介绍电子元件大都是使用直流工作,电源线反接就有可能就会烧坏,那电路如何防反接?首当其冲我们想到的就是二极管了,运
PFC MOS管Vds检测解析1 电感电流负1A检测2 PFCMOS管Vds检测通过调节频率使PFC电感电流在每个高频周期过零,以实现PFC二极管的零电流关断,
MOS管在光伏逆变器中的应用介绍MOSFET管是一种通过电场控制导通状态的半导体器件,分为N沟道和P沟道两种类型。其基本结构包括源极、漏极和
MOS管寄生参数振荡损坏电路仿真模拟方案介绍PFC电路MOS管在应用过程中产生振荡的机理,通过具体的案例分析了因MOS振荡引起损坏的各种原因。