传真:
18923864027
QQ:
709211280
地址:
深圳市福田区振中路84号爱华科研楼7层
全数字DC-DC变换器解析移相全桥ZVS DC-DC变换器是目前应用最广泛的软开关电路之一。作为一种具有优良性能的移相全桥变换器,其两个桥臂的
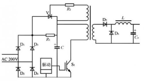
开关电源?;さ缏返墓ぷ髟斫樯芪箍氐缭丛诙窳踊肪臣巴环⒐收献纯鱿掳踩煽?,提出了几种实用的保护电路,并对电路的工作原理进行了详
热敏电阻中的电流设计分析图1是典型的电子产品电源部分简化电路,C1是与负载并联的滤波电容。在开机上电的瞬间,电容电压不能突变,因此会
怎么防止浪涌电压冲击功率因数控制电路或充电器多数用到直流-直流转换器或电机变频器的产品设备必须对市电交流电压进行整流处理,例如,大
四款直流稳压电路原理详解1、稳压二极管稳压电路稳压二极管,又叫齐纳二极管,是一种直到临界反向击穿电压前都具有很高电阻的半导体器件。
线性直流稳压电源的工作原理与电路方案设计介绍线性稳压电源是指调整管工作在线性状态下时的直流稳压电源,它是一种电源变换电路,也是电子
整流桥电路图分析方法介绍三相整流桥的作用将电源输入交流转换直流的环节,是任何用电器正常工作都必不可少的一环,这个过程就叫作--整流。
半波整流,全波整流,全波桥式整流,倍压整流整流电路也分四种类型。第一种是半波整流,半波整流电路一般情况下只需要一个二极管。详细的情况
驱动LED的方法介绍LED 技术推动了照明领域的一场革命。结合小型、低功耗、高可靠性和低成本,使得照明可以在不可能用白炽灯或荧光灯技术的
电源效率的定义与测试介绍电源效率的定义:Pout 是输出功率:Pout = Vo X IoPin 是输入功率:Pin = Vin X Iin这里 Iin 是电源
PFC与EMI对能效的影响介绍几乎每个人都意识到需要优化能效,无论是力求在高能源价格时代限制成本的消费者和企业运营商,还是期望满足日益复
三相整流桥工作原理and三相整流桥电路图解析三相整流桥工作原理三相整流桥工作原理就是将数个整流管封在一起,构成一个完整的整流电路。当