多数用到直流-直流转换器或电机变频器的产品设备必须对市电交流电压进行整流处理,例如,大多数工业设备(电机转速控制器、充电器、电信系统电源等)和常见的消费电子产品(白色家电、电视、计算机等)。
传统二极管整流桥是最常用的交流电压整流解决方案。整流桥后面经常会增加一个功率因数控制器,以确保市电电流的波形近似于正弦波。不过,二极管整流桥无法控制涌流。用两个可控硅整流管(SCR)替代两个二极管,新的控制型整流桥可以限制连接市电时的涌流。
本文提出几个前端拓扑以及一些与混合式整流桥和有效防止过压相关的设计技巧。实验结果证明,4kV至6kV浪涌电压耐受设计是很容易实现的,而且成本也不高。
涌流限制方案(ICL)和待机功耗问题
二极管整流桥的缺点是无法控制浪涌电流,这是因为在插入市电插座时,直流输出电容会突然充电。
强涌流可能会给系统带来很多问题,例如,保险失效、二极管等元件损坏,同时还会在电网上产生过多的电流应力。如果不对涌流加以限制,启动电流上升速率很快,很容易达到稳态电流的10-20倍,因此,必须提高线路元器件的参数,使其能够短时间传输大电流。此外,线路电流突然提升将会导致电压骤降,电压波动将会降低其它负载的输入功率。连接在同一条线路的灯具或显示屏将会忽明忽暗,出现闪烁或闪屏现象。为避免这些有害现象,IEC61000-3-3电磁标准规定了最大容许电压波动和最大容许涌流。
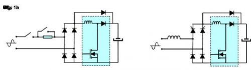
为了达到这个标准要求,常用限流方法是采用一个阻值固定的电阻器或一个热敏电阻器(图1a中的RLIM)限制电容器涌流。热敏电阻器通常具有负温度系数特性(NTC),因此,热敏电阻在低温即启动时阻抗大,稳态时阻抗小。为了在稳态时控制电阻本身消耗的功率,需要选用低阻值的电阻器。一个更好的解决办法是给电阻并联一个开关,构成一个旁路,在稳态时接通开关,电流绕过电阻。
这种旁路开关通常采用机械继电器(图1a中的S2)。这个解决方案的缺点是RLIM电阻始终连接市电线路,即使应用设备进入待机模式,也照常给二极管整流桥供电。因为直流电容器(C)仍然处于充电状态,所以存在待机功率损耗。为降低功率损耗,有必要给市电线路串联一个开关(图1a中的S1),该开关在设备进入待机模式时开路,这样就能断开二极管整流桥与线路的连接。
混合式整流桥是一个更加智能的涌流限制解决方案,如图1b所示。利用可控硅整流管(SCR)的渐进式软启动,向输出电容慢速充电,从而实现对涌流的限制。在线路电压的每半个周期结束时激活可控硅整流管,这时施加到电容器的电压被降低。通过逐渐降低可控硅整流管导通延时,延长可控硅整流管导通时间,以此提高直流电容器上的施加的电能。
如果给线路串联一个电感器(图1b中的L),这个解决方案就会奏效。在实际应用中,这个电感器是免费的,因为基于直流桥的应用多数都有开关式电源或电机变频器,不管是哪一种,都需要一个高频开关滤波器。多数EMI滤波器都有一个共模电感器,产生杂散差分式电感。
这个解决方案还需要一个辅助电源,用于在直流输出电容器充电前给微控制器供电,确保可控硅整流管的软启动操作。


图1:基于电阻器和继电器的电涌限流电路(a)和基于混合整流桥的电涌限流电路(b)
因此,这个限制涌流并控制待机损耗整体方案是用两个可控硅整流管替代一个限流电阻器和两个继电器。与机械继电器技术相比,半导体固态继电器成本低廉,并克服了机械继电器的下列缺点:
·线圈导致的控制电流消耗大
·机械振动导致的开关开路
·机械触点产生的声学噪声
·在易燃环境引起火灾(开关电弧)
·可靠性低(在高直流电压或电流时的继电器开关操作)
前端?;は蚶擞康缪构?/div>
像二极管整流桥一样,混合式整流桥也与市电插座直接相连,如果有浪涌电压,很可能会烧毁整流桥和PFC芯片(例如,图1中的旁通二极管D4)。
按照IEC61000-4-5标准描述的抗浪涌冲击实验步骤,必须施加不同相角的正负浪涌电压。
在市电峰压时施加正浪涌电压
我们在90°相角施加4KV正浪涌电压,如图2的示意图所示(无PFC)。为模拟最恶劣的应用环境,我们为L选用一个2µH电感,C是一个100µF电容。可控硅整流管是两个50A的TN5050H-12WY,而D1、D2和D4二极管(PFC旁通二极管)是STBR6012-Y整流管。
在90°相角时,T1和D1导通。浪涌提高电流,并致使D4导通,因为PFC电感保持电压。浪涌电流旁通二极管D4,避免烧毁PFC续流二极管(D3)。


图2:正浪涌电压期间的过流应力(示意图,D4是PFC旁通二极管)
如图2所示,在浪涌期间,T1电流峰值达到1730A(D1和D4电流也同样达到这个数值)。电流脉宽相当于30µs长的半正弦波。这个电流应力数值远远低于STBR6012-Y和TN5050H-12WY的承受范围。
如果施加的涌流高于可控硅整流管或二极管的电流耐受能力范围,有两种方法可以降低过流(两种方法可一起使用):
·提高差分电感的方法虽然有助于降低峰值电流,但也会使过流脉宽小幅提高。
·在线路输入端加一个变阻器,有助于降低电路受到的峰压冲击,同时也会降低过流。
如图2所示所示,浪涌电流将VDC输出电压提升到650V。这个电压反向施加到T2(因为当T1导通时,二极管D1也同时导通)和D2。因此,必须使用至少800V的器件,TN5050H-12WY和STBR6012-Y是1200V,电压裕度很高。
如果反向电压超出可控硅整流管或二极管的耐受范围,用一个电容值更大的输出电容或内部寄生效应很低的电容串联一个电阻器,可以更有效地控制浪涌电压。
在市电峰压时施加负浪涌电压
如果施加的负浪涌电压是90°相角,混合式整流桥的工作方式就有点复杂了。
图3所示给出了这种情况的电路通断序列:
·A阶段:在浪涌施加前混合式整流桥正常工作,VAC是正电压,T1和D1导通,线路电流(IL,绿色虚线)从L流至N,途经T1、D1和输出电容。
·B阶段:施加负浪涌电压,因此VAC极性变负,这意味着,负电流(红色虚线)将从N流至L。
·C阶段:在VAC电压变负后,线路电流下降。当IL电流过零时,D1关断。这意味着,现在整个线路电压被施加到T2(VT2红色箭头)。
C阶段必须谨慎处理。实际上,如果电压高于可控硅整流管的击穿电压,器件可能被烧毁。


图3:90°负浪涌电压测试混合整流桥的工作序列
基于Transil的保护机制
在可控硅整流管的阳极和栅极之间连接一个过压?;て骷ransil(图4),可以防止T2在C阶段被烧毁。在C阶段,电压将会上升到Transil的击穿电压(VBR),触发Transil二极管导通,向可控硅整流管栅极施加电流。然后,可控硅整流管导通。图4描述了这种操作:
·A阶段:在第1点结束,VAC电压变负。
·B阶段:在第2点结束,线路电流电压过零。
·C阶段:T2在第3点导通,电压高于Transil击穿电压,施加到T2的电压最大值被限制在430V。然后D2也导通,施加浪涌,给输出电容充电。
·D阶段在第4点后开始。浪涌电流通过T2、D2和D4施加到输出电容。T1和D1关断


图4:基于TN5050H-12WY可控硅整流管的混合式整流桥90°1kV负浪涌电压测试
我们在测试中选用一个1,5KE400CA的Transil二极管。这个二极管可将钳位电压的峰值限制到一个极低的水平(430V),这一点特别重要。在C阶段,D1上的负电压绝对值是VT2与VDC之和。如果输出直流电压是325V,则D1上的负电压最大值是755V(在STBR6012-Y的容许范围内)。电压值更高的Transil或低电能Transil(1,5KE400CA是一个1500WTransil)将会引起更高的钳位电压,导致更高的电压施加到D1上。
在T2的栅极与阴极之间连接的电阻器用于分流Dztransil二极管输出的电流,避免dV/dt引起的杂散触发。
基于变阻器的?;せ?/div>
如果不想让可控硅整流管在电压高于430V时导通,或者当可控硅整流管被Transil触发时,如果浪涌电流高于SCRITSM值,我们还有一个解决办法,即在整流桥输入端,将Transil二极管改为电压抑制器,例如,金属氧化物变阻器(图4中的绿色虚线)。变阻器置于EMI滤波器之后,滤波器阻抗(特别是共式扼流圈的差分式电感)可以限制变阻器吸收电流。
并联多个变阻器以更好地限制浪涌电压,避免在施加90°相角负浪涌电压时T2导通(在施加270°相角正浪涌电压时T1导通)。
浪涌电压耐受能力取决于变阻器的能否将浪涌电压限制在T1/T2可控硅整流管的VDSM/VRSM和D1/D2二极管的VRRM以下。可控硅整流管过流不再一个难题。例如,并联四个385V14mm金属氧化物变阻器(MOV),连接一个典型的EMI滤波器,当浪涌电压达到6kV时,混合式整流桥的电压限制在1100V,远远低于TN5050H-12WYVDSM的击穿电压和STBR6012-Y整流管的击穿电压。因此,该电路典型情况下能够耐受6kV浪涌冲击。
结论
为什么选择这个拓扑?
降低功率损耗、外观尺寸,同时提高可靠性(相对于继电器和被动限流器)。
用新一代可控硅整流管和前端拓扑实现的稳健的解决方案。
烜芯微专业制造二极管,三极管,MOS管,桥堆等20年,工厂直销省20%,4000家电路电器生产企业选用,专业的工程师帮您稳定好每一批产品,如果您有遇到什么需要帮助解决的,可以点击右边的工程师,或者点击销售经理给您精准的报价以及产品介绍
烜芯微专业制造二极管,三极管,MOS管,桥堆等20年,工厂直销省20%,4000家电路电器生产企业选用,专业的工程师帮您稳定好每一批产品,如果您有遇到什么需要帮助解决的,可以点击右边的工程师,或者点击销售经理给您精准的报价以及产品介绍
- 上一篇:四款直流稳压电路原理详解
- 下一篇:热敏电阻中的电流设计分析
相关阅读
最新资讯
- 怎么用TVS二极管提高电路的抗突波能力
- PIN二极管的电导调制机制和应用介绍
- 基于双MOS管的防反灌电路工作原理介绍
- 高效率整流二极管的特性和应用介绍
- 详解稳压二极管的关键特性和应用原理
- MOS管选型关键因素分析,怎么选择合适的参数
- 三相整流电路分析,半波整流与全波整流的工作原理
- IGBT三相全桥整流电路工作原理介绍
- 详解快恢复二极管,结构,特性和应用介绍
- 三极管和MOS管组合式开关电路分析
联系烜芯微
咨询热线:
18923864027
传真:
18923864027
QQ:
709211280
地址:
深圳市福田区振中路84号爱华科研楼7层