整流电路也分四种类型。
第一种是半波整流,半波整流电路一般情况下只需要一个二极管。详细的情况我们可以看下下面的图 1,在图 1 中你能看到在交流电正半周时 VD 导通,负半周时 VD 截止,负载 R 上得到的是脉动的直流电。


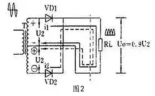
第二种是全波整流,全波整流则是要用到二个二极管,工程上也会要求需要有带中心抽头的两个次级线圈,这两个次级线圈需要圈数相同,以保证相同的电阻。详细的情况我们可以看下图 2,负载 RL 得到的就是全波整流电流,输出电压比半波整流电路要高。


第三种就是我们常见的全波桥式整流,像我们的整流桥一般情况下也都是全波桥式整流,全波桥式整流用的是 4 个二极管组成的桥式电路,这种电路只能有单个次级线圈的变压器。见图 3,负载上的电流波形和输出电压值与第二种全波整流电路是完全相同的。


最后一种就是倍压整流。这种整流电路会用多个二极管和电容器来获得较高的直流电压。
烜芯微专业制造二极管,三极管,MOS管,桥堆等20年,工厂直销省20%,4000家电路电器生产企业选用,专业的工程师帮您稳定好每一批产品,如果您有遇到什么需要帮助解决的,可以点击右边的工程师,或者点击销售经理给您精准的报价以及产品介绍
烜芯微专业制造二极管,三极管,MOS管,桥堆等20年,工厂直销省20%,4000家电路电器生产企业选用,专业的工程师帮您稳定好每一批产品,如果您有遇到什么需要帮助解决的,可以点击右边的工程师,或者点击销售经理给您精准的报价以及产品介绍