一、反激变换器拓扑的起源与演变
反激变换器拓扑源于对 buck-boost 拓扑的改进与演变。

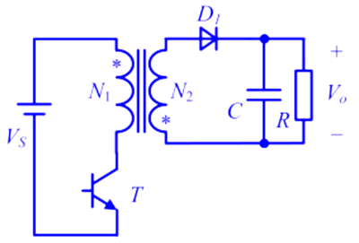
在升降压电路中,电感通过周期性的充能与放能过程,维持着均匀的电压输出,同时使得输出电压与输入电压极性相反。而当我们将升降压电路中的电感替换为互相耦合的电感 N? 和 N?(即变压器)时,便诞生了反激拓扑。在这一拓扑中,变压器不仅承担着隔离变压的关键作用,还兼具储能电感的功能。


在升降压电路中,电感通过周期性的充能与放能过程,维持着均匀的电压输出,同时使得输出电压与输入电压极性相反。而当我们将升降压电路中的电感替换为互相耦合的电感 N? 和 N?(即变压器)时,便诞生了反激拓扑。在这一拓扑中,变压器不仅承担着隔离变压的关键作用,还兼具储能电感的功能。

二、反激拓扑结构与特点
无需输出滤波电感器 :得益于变压器次级的天然滤波效果,反激拓扑省去了输出滤波电感器的使用,这不仅有效减小了电源的体积,还有助于降低成本。
省却次级高压续流二极管 :反激拓扑的这一设计特点使其在高压应用场合更具优势,简化了电路结构,提高了电路的可靠性和效率。
高电压、小功率应用的理想选择 :反激拓扑特别适用于高电压、小功率的应用场景,能够满足此类场景下的电源需求,并提供稳定可靠的电源支持。


三、反激拓扑工作过程
Q? 导通阶段 :当开关管 Q? 导通时,原边绕组 Np 的同名端相对于异名端呈现负电压,而副边绕组 Nsm 的异名端电压高于同名端,导致整流二极管 D? 反偏截止。此时,输出电容器 C? 独立承担向负载供电的任务。在这一阶段,原边绕组 Np 相当于一个储能电感器,流过 Np 的电流呈线性上升直至达到幅值 Ip。根据公式 dI/dt = (Vdc - Vds)/Lp,可以计算出在开关管导通结束之前的最大电流 Ip = (Vdc - Vds) × Ton/Lp。进而,变压器储存的能量可表示为 E = ½ × Lp × I²p。
Q? 关断阶段 :当开关管 Q? 关断时,励磁电感电流引发各绕组电压反向,副边绕组的电流回路随之导通,为滤波电容器 C? 和负载提供电流。假设只有一个副边绕组 Nm,则在关断瞬间,变压器电流幅值 Is = Ip × (Np/Nm)。对于变压器本身而言,原边和副边并无绝对区分,对磁芯而言是等同的。因此,当 Q? 关断时,能量释放并不依赖于原边绕组电流,副边绕组电流同样能够实现能量的释放,这正是变压器传递能量的核心机制。
不连续模式下的功率计算 :若副边电流在下一个周期开始前降至 0,则表明变压器存储的能量已在 Q? 再次导通前完全传输至负载端,此时变压器工作在不连续模式。在这种情况下,一个周期 T 内输入电压 Vdc 提供的功率 P = ½ × Lp × I²p / T。结合 Ip = (Vdc - Vds) × Ton/Lp,可得 P ≈ (Vdc × Ton)² / (2 × T × Lp)。只要保持 Vdc 和 Ton 的稳定,就能确保输出的稳定性。
〈烜芯微/XXW〉专业制造二极管,三极管,MOS管,桥堆等,20年,工厂直销省20%,上万家电路电器生产企业选用,专业的工程师帮您稳定好每一批产品,如果您有遇到什么需要帮助解决的,可以直接联系下方的联系号码或加QQ/微信,由我们的销售经理给您精准的报价以及产品介绍
〈烜芯微/XXW〉专业制造二极管,三极管,MOS管,桥堆等,20年,工厂直销省20%,上万家电路电器生产企业选用,专业的工程师帮您稳定好每一批产品,如果您有遇到什么需要帮助解决的,可以直接联系下方的联系号码或加QQ/微信,由我们的销售经理给您精准的报价以及产品介绍
联系号码:18923864027(同微信)
QQ:709211280