电流的产生离不开电压和电阻,最简单的恒流结构就可以利用固定电压和固定电阻来产生,比如二极管的导通电压基本固定,配合电阻就可以产生最简单的恒流源结构。
恒流源电路工作原理
恒流源由信号源和电压控制电流源(VCCS)两部分组成。正弦信号源采用直接数字频率合成(DDS)技术,即以一定频率连续从EPROM中读取正弦采样数据,经D/A转换并滤波后产生EIT所需的正弦信号。
恒流恒压电源内部有两个控制单元,一个是稳压控制单元,在负载发生变化的情况下,努力使输出电压保持稳定,前提是输出电流必须小于预先设定的恒流值。
实际上在恒压状态时,恒流控制单元处于休止状态,它不干扰输出电压和输出电流。一种是恒流状态,按照恒流电源的特征在工作。恒压恒流电源指既有恒压控制部件,又具有恒流控制部件的电源。
恒流源电路概念
恒流源电路(电流反射镜电路)
恒流源是输出电流保持恒定的电流源,而理想的恒流源应该具有以下特点:
a)不因负载(输出电压)变化而改变;
b)不因环境温度变化而改变;
c)内阻为无限大(以使其电流可以全部流出到外面);
能够提供恒定电流的电路即为恒流源电路,又称为电流反射镜电路。
基本的恒流源电路主要是由输入级和输出级构成,输入级提供参考电流,输出级输出需要的恒定电流。
恒流源电路就是要能够提供一个稳定的电流以保证其它电路稳定工作的基础。即要求恒流源电路输出恒定电流,因此作为输出级的器件应该是具有饱和输出电流的伏安特性。这可以采用工作于输出电流饱和状态的BJT或者MOSFET来实现。
为了保证输出晶体管的电流稳定,就必须要满足两个条件:a)其输入电压要稳定——输入级需要是恒压源;b)输出晶体管的输出电阻尽量大(最好是无穷大)——输出级需要是恒流源。


基本恒流源电路图
恒流源电路设计分享
1.稳压二极管恒流电路
首先是单个三极管做到的稳压二极管恒流电路,该恒流电路主要是运用了稳压二极管上的电压较稳定特性,以及三极管Vbe的稳定性,组成的恒流电路。优点是成本低,电流可调,缺点是温度特性差,稳流精度不高,适用于对精度要求不高的场合。


在稳压二极管的恒流电路中,三极管Q1的基级电压被限定在稳压二极管D1的工作稳定电压Ud下,那么电阻R3占用的电压等于Uzd减去三极管基级与发射级的导通压降0.7V,即U=Ud-0.7保持恒定不变,所以流过电阻R3的电流保持不变,即使在VCC电源可变或者负载阻值发生变化的条件下也是固定不变,也就是R1负载的电流保持不变,达到恒流的目的。
2.压控恒流源电路设计
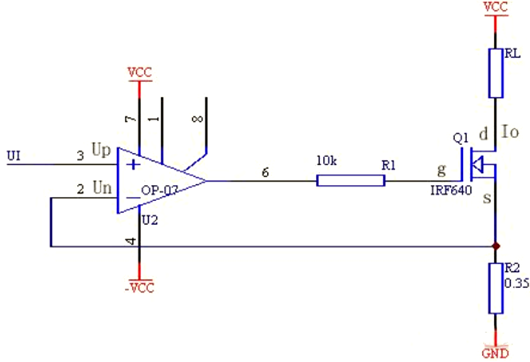
压控恒流源是系统的重要组成部分,它的功能是用电压来控制电流的变化,由于系统对输出电流大小和精度的要求比较高,所以选好压控恒流源电路显得特别重要。采用如下电路:电路原理图如图所示。该恒流源电路由运算放大器、大功率场效应管Q1、采样电阻R2、负载电阻RL等组成1、硬件设计。


电路中调整管采用大功率场效应管。采用场效应管,更易于实现电压线性控制电流,既能满足输出电流最大达到2A的要求,也能较好地实现电压近似线性地控制电流。
因为当场效应管工作于饱和区时,漏电流Id近似为电压Ugs控制的电流。即当Ud为常数时,满足:Id=f(Ugs),只要Ugs不变,Id就不变。
在此电路中,R2为取样电阻,采用康铜丝绕制(阻值随温度的变化较?。柚滴?.35欧。运放采用OP-07作为电压跟随器, UI=Up=Un,场效应管Id=Is(栅极电流相对很小,可忽略不计) 所以Io=Is= Un/R2= UI/R2。
正因为Io=UI/R2,电路输入电压UI控制电流Io,即Io不随RL的变化而变化, 从而实现压控恒流。同时,由设计要求可知:由于输出电压变化的范围U〈=10V,Iomax=2A,可以得出负载电阻RLmax=5欧。
〈烜芯微/XXW〉专业制造二极管,三极管,MOS管,桥堆等,20年,工厂直销省20%,上万家电路电器生产企业选用,专业的工程师帮您稳定好每一批产品,如果您有遇到什么需要帮助解决的,可以直接联系下方的联系号码或加QQ/微信,由我们的销售经理给您精准的报价以及产品介绍
联系号码:18923864027(同微信)
QQ:709211280