ADC0809是一种CMOS工艺8通道,8位逐次逼近式A/D模数转换器。其内部有一个8通道多路开关,它可以根据地址码锁存译码后的信号,只选通8路模拟输入信号中的一个进行A/D转换。主要适用于对精度和采样速率要求不高的场合或一般的工业控制领域,可以和单片机直接相连。


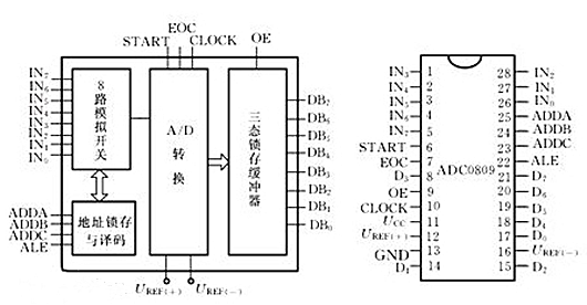
ADC0809引脚定义
ADC0809芯片有28条引脚,采用双列直插式封装。
各引脚功能:
IN0~IN7:8路模拟量输入端。
2-1~2-8:8位数字量输出端。
ADDA、ADDB、ADDC:3位地址输入线,用于选通8路模拟输入中的一路。
ALE:地址锁存允许信号,输入端,产生一个正脉冲以锁存地址。
通道选择表如下所示:


START: A/D转换启动脉冲输入端,输入一个正脉冲(至少100ns宽)使其启动(脉冲上升沿使0809复位,下降沿启动A/D转换)。
EOC: A/D转换结束信号,输出端,当A/D转换结束时,此端输出一个高电平(转换期间一直为低电平)。
OE:数据输出允许信号,输入端,高电平有效。当A/D转换结束时,此端输入一个高电平,才能打开输出三态门,输出数字量。
CLK:时钟脉冲输入端。时钟频率范围为10KHz-1280KHz。
REF(+)、REF(-):基准电压。
Vcc:电源,单一+5V。
GND:地。
adc0809工作过程
首先输入3位地址,并使ALE=1,将地址存入地址锁存器中。此地址经译码选通8路模拟输入之一到比较器。START上升沿将逐次逼近寄存器复位。下降沿启动 A/D转换,之后EOC输出信号变低,指示转换正在进行。
直到A/D转换完成,EOC变为高电平,指示A/D转换结束,结果数据已存入锁存器,这个信号可用作中断申请。当OE输入高电平 时,输出三态门打开,转换结果的数字量输出到数据总线上。
转换数据的传送 A/D转换后得到的数据应及时传送给单片机进行处理。数据传送的关键问题是如何确认A/D转换的完成,因为只有确认完成后,才能进行传送??刹捎孟率鋈址绞?。
(1)定时传送方式
对于一种A/D转换器来说,转换时间作为一项技术指标是已知的和固定的。例如ADC0809转换时间为128μs,相当于6MHz的MCS-51单片机共64个机器周期??删荽松杓埔桓鲅邮弊映绦?,A/D转换启动后即调用此子程序,延迟时间一到,转换肯定已经完成了,接着就可进行数据传送。
(2)查询方式
A/D转换芯片有表明转换完成的状态信号,例如ADC0809的EOC端。因此可以用查询方式,测试EOC的状态,即可确认转换是否完成,并接着进行数据传送。
(3)中断方式
把表明转换完成的状态信号(EOC)作为中断请求信号,以中断方式进行数据传送。
不管使用上述哪种方式,只要一旦确定转换完成,即可通过指令进行数据传送。首先送出口地址并以信号有效时,OE信号即有效,把转换数据送上数据总线,供单片机接受。
adc0809控制时序


adc0809控制时序如图,adc0809驱动程序是基于时序图来编程。
〈烜芯微/XXW〉专业制造二极管,三极管,MOS管,桥堆等,20年,工厂直销省20%,上万家电路电器生产企业选用,专业的工程师帮您稳定好每一批产品,如果您有遇到什么需要帮助解决的,可以直接联系下方的联系号码或加QQ/微信,由我们的销售经理给您精准的报价以及产品介绍
联系号码:18923864027(同微信)
QQ:709211280