单稳态电路介绍
单稳态电路是一种具有稳态和暂态两种工作状态的基本脉冲单元电路。单稳态电路可以由分立元件、集成逻辑门来构成,也可用555定时器或单片专用单稳态触发器实现。
没有外加信号触发时,电路处于稳态。在外加信号触发下,电路从稳态翻转到暂态,并且经过一段时间后,电路又会自动返回到稳态。暂态时间的长短取决于电路本身的参数,而与触发信号作用时间的长短无关。
单稳态电路
如不自锁的按钮开关控制灯泡就是一个最典型、最简单的单稳态电路:不按按钮时,按钮处于抬起位,其??サ愣峡婆菹?。只有用手按下按钮时,按钮的??サ惚蘸希婆萘?。当手离开按钮,按钮立刻抬起其??サ慊指炊峡?,灯泡灭。该电路在不触动按钮时总保持熄灭的一种状态,故可称之为单稳态电路。
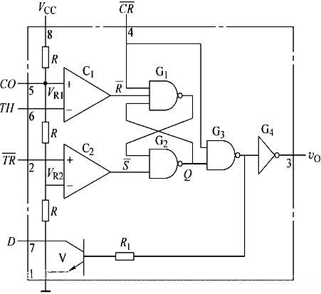
555单稳态电路图
内部包括两个电压比较器,三个5K欧姆的等值串联分压电阻(555定时器的名称也由此而得),一个 RS 触发器,一个放电管 T 及功率输出级。它提供两个基准电压VCC /3 和 2VCC /3


555 定时器的功能主要由两个比较器决定。两个比较器的输出电压控制RS 触发器和放电管的状态。在电源与地之间加上电压,当 5 脚悬空时,则电压比较器 C1 的同相输入端的电压为 2VCC /3,C2 的反相输入端的电压为VCC /3。
若触发输入端 TR 的电压小于VCC /3,则比较器 C2 的输出为 0,可使 RS 触发器置 1,使输出端 OUT=1。如果阈值输入端 TH 的电压大于 2VCC/3,同时 TR 端的电压大于VCC /3,则 C1 的输出为 0,C2 的输出为 1,可将 RS 触发器置 0,使输出为低电平。
单稳态电路应用
以555集成电路为核心和少量元器件组成的单稳态电路即可实现自动延时照明灯(用发光二极管LED取代)控制(图二)。图三的工作给出如下:按一下SB,“2”脚输入一个低于脉冲,触发电路翻转到暂稳态,“3”脚输出高电平,LED立即点亮,延续近3秒后自动熄灭。
同时,通过电阻R1开始给电容C1充电,当电容两端电压充到C时,电路又恢复到稳态,几乎同时,电容C1被放电。电路等待下次触发脉冲的到来,改变电路中电阻R1、电容C1的数值,可方便地调整延时时间即暂稳态的宽度。


可以在上述电路的基础上,通过555输出驱动功率晶体管,可以实现大功率的工作环境。在大型农业选种、加工和农场粮食分选过程中,用到较多的是电动筛,下面给出了光电式功率型电动筛控制原理图。


电路引入了光电耦合器,整个电路工作过程如下:S1闭合时,光电耦合器工作,“2”接地;S1断开时,光电耦合器停止工作,“2”悬空。该变化通过“2”输入555集成电路,从而控制输出。在S2闭合的情况下,输出通过功率三极管驱动电动机以控制电动筛的运转。
〈烜芯微/XXW〉专业制造二极管,三极管,MOS管,桥堆等,20年,工厂直销省20%,上万家电路电器生产企业选用,专业的工程师帮您稳定好每一批产品,如果您有遇到什么需要帮助解决的,可以直接联系下方的联系号码或加QQ/微信,由我们的销售经理给您精准的报价以及产品介绍
联系号码:18923864027(同微信)
QQ:709211280