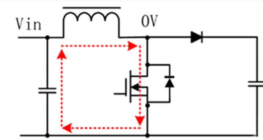
电感在boost中的工作原理


开关闭合时,充电路径见上图回路,此时给电感充电,可以列出方程:


其中:
Vi:输入电压 L:电感量 △Ion:充电时电感电流纹波
D:开关的占空比 T:开关周期,是频率f的倒数


η是boost的效率,开关电源效率一般是比较高的,如果只是近似计算,效率可以取90%。
最后一个公式,电源的输出总电流,是直流电基础之上,叠加的交流电流,我们需要计算直流加交流时的最大电流:


从推导的公式可以看出,选择大电感时,产生的纹波也小,可以降低电感器的磁滞损耗和 EMI。但同样地,物极必反,负载瞬态响应时间增加。
boost升压电感怎么计算?
BOOST升压电路参数计算
1. 占空比Vi *Ton/L=(Vo-Vi)*Toff/LD = (Vo-Vi)/VoD—占空比
2. 电感选择dIL= Vi*Ton/LdIL=0.2IL_ avg=0.2IinIin=Vo*Io/ViIL_avg = IinIL_peak = 1.1IinIL_rms = ILavg*(1+0.22/12)0.5L电感量的选取原则使电感纹波电流为电感电流的20%(可根据应用改变)
dIL—电感纹波电流峰峰值
IL_avg—电感电流平均值
IL_peak—电感峰值电流
IL_rms—电感电流有效值
2. 肖特基二极管选择
Id_peak = 1.1IinVrd = VoId_peak—续流二极管峰值电流Vrd—续流二级管反向耐压(Ton期间)
3. 开关管Isw_peak = 1.1IinVsw = VoIsw_peak—开关管峰值电流Vsw_peak—开关管耐压(Toff期间)
4. 电容Icin_rms = dIL/120.5Ico_rms = [Io2D+(Iin-Io)2(1-D)]0.5电容选?。耗脱埂⑽撇ǖ缌鳌⒌缛萘縄cin_rms—输入电容的纹波电流有效值Ico_rms—
BOOST升压电路参数计算
1. 占空比
Vi *Ton/L=(Vo-Vi)*Toff/L
D = (Vo-Vi)/Vo
D—占空比
2. 电感选择
dIL= Vi*Ton/L
dIL=0.2IL_ avg=0.2Iin
Iin=Vo*Io/Vi
IL_avg = Iin
IL_peak = 1.1Iin
IL_rms = ILavg*(1+0.22/12)0.5
L电感量的选取原则使电感纹波电流为电感电流的20%(可根据应用改变)
dIL—电感纹波电流峰峰值
IL_avg—电感电流平均值
IL_peak—电感峰值电流
IL_rms—电感电流有效值
肖特基二极管选择
Uo=Us/(1-D);D是占空比,Lo=5(Vs-Vo)VoT/(Vs*Io);Vs是输入电压,Vo是输出电压Io是输出电流额定值;对于电容,适当大一点,耐压高点就行。
〈烜芯微/XXW〉专业制造二极管,三极管,MOS管,桥堆等,20年,工厂直销省20%,上万家电路电器生产企业选用,专业的工程师帮您稳定好每一批产品,如果您有遇到什么需要帮助解决的,可以直接联系下方的联系号码或加QQ/微信,由我们的销售经理给您精准的报价以及产品介绍
联系号码:18923864027(同微信)
QQ:709211280