双稳态电路的特点:在没有外来触发信号的作用下,电路始终处于原来的稳定状态。在外加输入触发信号作用下,双稳态电路从一个稳定状态翻转到另一个稳定状态。由于它具有两个稳定状态,故称为双稳态电路。
双稳态电路是两种稳定输出状态的电路,如自锁式按钮开关控制灯泡就是一个最典型、最简单的双稳态电路:当不按按钮时,自锁按钮将始终保持它现有状态不变(如处于按下位,灯泡亮,如处于抬起位,灯泡灭);当用手按一下按钮,按钮将改变它的现有状态:由抬起位变压下或由压下位变抬起,使灯泡由灭变亮,或由亮变为熄灭。即该电路有二个稳态输出:亮或熄灭。
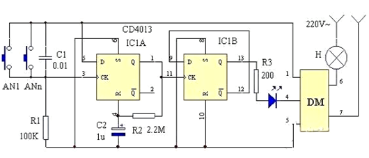
双稳态开关电路图
双稳态控制电路的工作原理如图。假设负载是电灯,当按动按钮AN1时,给了IC1“CP1”端一个正脉冲,使得IC1的Q1端输出高电平,于是IC2的“CP2”端也随之输入一个正脉冲,其IC2的Q2端变为高电平,
此时由于控制器DM的④脚与IC2的 Q2端相连,自然也为高电平,信号灯H点亮。再次按动AN1,则IC2的Q2端又回复到低电平,控制器DM的④端亦变为低电平而将H关断。这样,每按动一次AN1就可改变一次H的工作状态。


该应用电路中使用了一块双D触发器集成电路CD4013,这它的内部含有两只D触发电路,其中的一只D触发电路用作脉冲展宽电路,其目的是为了防止因AN1的抖动使脉冲个数不确定;另一只D触发器构成双稳态触发器。
该电路用作节能灯的使用方法是:上楼时按动一下AN1,H点亮。进房后再按动一下 ANn,此时H熄灭。它与单稳态节能灯不同之处是,从按动AN1至按动ANn的时间可以随意,且不受时间和空间的限制。
三极管双稳态开关电路图


NE555双稳态开关电路图


双稳态开关电路图:接触引发的双稳态电路


该电路在双稳态模式中使用一个555定时器。接触T2会引起输出的升高,D2导电,D1熄灭。接触T1会导致输出降低,D1导电,D2熄灭。来自引脚3的输出还可以用来驱动其他的电路工作(比如一个三端双向可控硅开关控制的灯)。
〈烜芯微/XXW〉专业制造二极管,三极管,MOS管,桥堆等,20年,工厂直销省20%,上万家电路电器生产企业选用,专业的工程师帮您稳定好每一批产品,如果您有遇到什么需要帮助解决的,可以直接联系下方的联系号码或加QQ/微信,由我们的销售经理给您精准的报价以及产品介绍
联系号码:18923864027(同微信)
QQ:709211280