LM311电压比较器电路
lm311是具有八个引脚的另一个比较器IC。它具有单个比较器。ic的响应时间最短为0.200纳秒,典型电压增益为200。下图是lm311比较器的内部电路图。


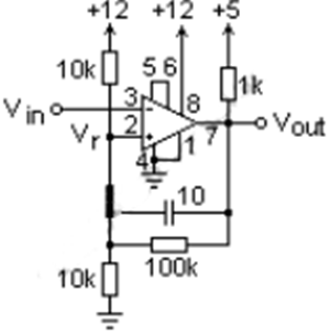
LM311比较器电路图
LM311比较器电路及其引脚编号如下原理图所示。该晶体管的接地位于引脚 1 处,集电极开路输出位于引脚 7 处。图中显示,使用 1k 电阻器将逻辑电压上拉至 +5,这是典型情况。 LM311 输出可吸收 8 mA 电流。比较器的输出本质上是二进制的,高电平或低电平。引脚 8 为 V+,引脚 4 为 V-。总电源电压最高可达 36V。如果比较器阈值比地高一伏左右,则 V- 可以简单地接地,如下所示。


LM311 的电源电压不必与逻辑电源相同。如果不用作平衡调节(如运算放大器的调零),则引脚 5 和 6 应短接在一起。引脚 3 是反相输入,引脚 2 是同相输入。通常通过分压器在引脚 2 处建立参考电压 Vr,如图所示。
参考电压(阈值)约为 6 V。正反馈由输出到引脚 2 的 100k 电阻提供。当输出变低时,阈值会稍微降低,而当输出变高时,阈值会稍微升高。它们为比较器提供“快速”动作,因为这些变化与产生它们的引脚 3 处的电压变化方向相反。阈值的分数变化大致为并联分压电阻器的值除以反馈电阻器,此处为 5/100 或 0.05。这会在 5V 电源下产生 0.25V 的差异,称为迟滞。
输出从高电平变低的阈值比从低电平返回高电平的阈值高 0.25V。为了给迟滞带来一点额外的影响,反馈电阻上有一个 10 pF 的小型加速电容器。这些规定的改变将是迅速而明确的。测试电路,并注意其工作原理。当低电平时,输出可以点亮 LED,从而节省一个 DMM。
比较器一般用于模数转换、电压监测、波形分析等应用领域。在模数转换中,比较器可以将模拟信号转换为数字信号,例如在ADC(模数转换器)中应用比较器进行转换。在电压监测中,比较器可以监测电压是否超过预设的阈值,例如过压?;さ缏分械谋冉掀骺梢约嗖獾缭吹缪故欠癯踩段?。在波形分析中,比较器可以将波形与预设的阈值进行比较,例如在示波器中应用比较器进行波形分析。
此外,比较器也可以用于实现逻辑运算和数字信号处理等应用领域。例如在数字信号处理中,比较器可以将数字信号进行滤波、频谱分析等处理,从而提取出有用的信息。
〈烜芯微/XXW〉专业制造二极管,三极管,MOS管,桥堆等,20年,工厂直销省20%,上万家电路电器生产企业选用,专业的工程师帮您稳定好每一批产品,如果您有遇到什么需要帮助解决的,可以直接联系下方的联系号码或加QQ/微信,由我们的销售经理给您精准的报价以及产品介绍
联系号码:18923864027(同微信)
QQ:709211280