IGBT是电力控制和电力转换的核心器件,是由BJT(双极型晶体管)和MOS(绝缘栅型场效应管)组成的复合全控型电压驱动式功率半导体器件,具有高输入阻抗,低导通压降,高速开关特性和低导通状态损耗等特点,非常适合高电压和高电流的光伏逆变器、储能装置和新能源汽车等电力电子应用。
双脉冲测试
为了评估功率器件的动态参数,通常采取的测量方法是双脉冲测试。通过两个脉冲,去控制器件的开关开关,然后测试在开关过程中的一些参数指标。
对比不同开关管参数及性能,同时可以获取开关管开关过程中的参数,评估驱动电阻数值是否合适,是否需要吸收电路等。而且可以考量开关管在实际电路中的实际表现,反向恢复电流,关断电压尖峰,开通关断时间等。
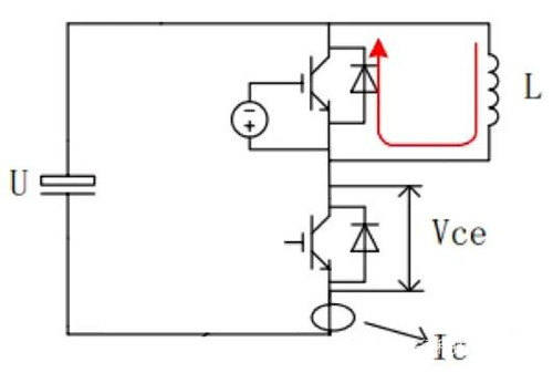
双脉冲测试原理图


将双脉冲电压加在在DUT的VGS上。当第一个脉冲施加之后,DUT处于导通状态,而上面的管子一直处于关闭状态,那么电流就顺着红色箭头的方向,通过电感从上往下流过DUT,由于电感的电流不能瞬变,所以导通电流有一个从零开始逐渐增加到最大的过程。
电流上升的斜率可以用U/L得到。如母线电压是1000V,电感是100uH,那么电流从零上升到100A的时间就是10us。


当电流达到最大(如100A),那就可以把DUT关闭了,那DUT管子会直接断开。这时可以测试管子关断过程中的一些参数,比如关断时间、关断损耗、关断时的VDS震荡等。
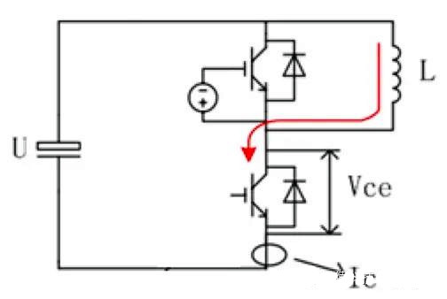
那么在关断期间,由于电感的电流不能瞬变,所以这个电流会继续顺着箭头的方向进行续流,所以上面这个管子又叫续流管。那这个过程中由于时间非常短,我们可以认为电感上的电流是不变的。

〈烜芯微/XXW〉专业制造二极管,三极管,MOS管,桥堆等,20年,工厂直销省20%,上万家电路电器生产企业选用,专业的工程师帮您稳定好每一批产品,如果您有遇到什么需要帮助解决的,可以直接联系下方的联系号码或加QQ/微信,由我们的销售经理给您精准的报价以及产品介绍

〈烜芯微/XXW〉专业制造二极管,三极管,MOS管,桥堆等,20年,工厂直销省20%,上万家电路电器生产企业选用,专业的工程师帮您稳定好每一批产品,如果您有遇到什么需要帮助解决的,可以直接联系下方的联系号码或加QQ/微信,由我们的销售经理给您精准的报价以及产品介绍
联系号码:18923864027(同微信)
QQ:709211280