反相器之所以叫反相器,是因为输出和输入信号的相位相反,而跟随器的相位相同。
反相器是可以将输入信号的相位反转180度,这种电路应用在模拟电路,比如说音频放大,时钟振荡器等。在电子线路设计中,经常要用到反相器。CMOS反相器电路由两个增强型MOS场效应管组成。典型TTL与非门电路电路由输入级、中间级、输出级组成。
反相器符号


反相器真值表


反相器电路原理图


反相器的种类
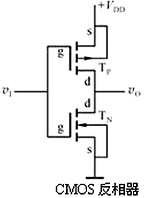
CMOS反相器
CMOS反相器电路由两个增强型MOS场效应管组成,其中V1为NMOS管,称驱动管,V2为PMOS管,称负载管。 NMOS管的栅源开启电压UTN为正值,PMOS管的栅源开启电压是负值,其数值范围在2~5V之间。为了使电路能正常工作,要求电源电压UDD>(UTN+|UTP|)。UDD可在3~18V之间工作,其适用范围较宽。工作原理:当UI=UIL=0V时,UGS1=0,因此V1管截止,而此时|UGS2|>|UTP|,所以V2导通,且导通内阻很低,所以UO=UOH≈UDD, 即输出为高电平。当UI=UIH=UDD时,UGS1=UDD>UTN,V1导通,而UGS2=0<|UTP|,因此V2截止。此时UO=UOL≈0,即输出为低电平。 可见,CMOS反相器实现了逻辑非的功能。CMOS反相器的主要特性:在AB段由于V1截止,阻抗很高,所以流过V1和V2的漏电流几乎为0。 在CD段V2截止,阻抗很高,所以流过V1和V2的漏电流也几乎为0。只有在BC段,V1和V2均导通时才有电流iD流过V1和V2,并且在UI=1/2UDD附近,iD最大。




TTL非门
典型TTL与非门电路电路组成:输入级——晶体管T1和电阻Rb1构成。中间级——晶体管T2和电阻Rc2、Re2构成。输出级——晶体管T3、T4、D和电阻Rc4构成,推拉式结构,在正常工作时,T4和T3总是一个截止,另一个饱和。当输入Vi=3.6V(高电平)Vb1=3.6+0.7=4.3V 足以使T1(bc结)T2(be结)T3 (be结)同时导通, 一但导通Vb1=0.7+0.7+0.7=2.1V(固定值),此时V1发射结必截止(倒置放大状态)。Vc2=Vces+Vbe2=0.2+0.7=0.9V 不足以T3和D同时导通,T4和D均截止。V0=0.2V (低电平)当输入Vi=0.2V(低电平)Vb1=0.2+0.7=0.9V不 足以使T1(bc结)T2(be结)T3 (be结)同时导通,T2 T3均截止, 同时Vcc---Rc2----T4---D---负载形成通路,T4和D均导通。V0=Vcc-VRc2(可略)-Vbe4-VD=5-0.7-0.7 =3.6(高电平)结论:输入高,输出低;输入低,输出高(非逻辑)。TTL优势:工作速度快 、带负载能力强 、传输特性好。TTL反相器的电压传输特性:电压传输特性是指输出电压跟随输入电压变化的关系曲线,即UO=f(uI)函数关系。其曲线大致分为四段:AB段(截止区):当UI≤0.6V时,T1工作在深饱和状态,Uces1<0.1V,Vbe2<0.7V,故T2、 T3截止,D、T4均导通, 输出高电平UOH=3.6V。TTL反相器的电压传输特性 BC段(线性区):当0.6V≤UI<1.3V时,0.7V≤Vb2<1.4V,T2开始导通,T3尚未导通。此时T2处于放大状态,其集电极电压Vc2随着UI的增加而下降,使输出电压UO也下降 。CD段(转折区):1.3V≤UI<1.4V,当UI略大于1.3V时, T2 T3均导通, T3进入饱和状态,输出电压UO迅速下降。DE段(饱和区):当UI≥1.4V时,随着UI增加 T1进入倒置工作状态,D截止,T4截止,T2、T3饱和,因而输出低电平UOL=0.3V。
〈烜芯微/XXW〉专业制造二极管,三极管,MOS管,桥堆等,20年,工厂直销省20%,上万家电路电器生产企业选用,专业的工程师帮您稳定好每一批产品,如果您有遇到什么需要帮助解决的,可以直接联系下方的联系号码或加QQ/微信,由我们的销售经理给您精准的报价以及产品介绍
联系号码:18923864027(同微信)
QQ:709211280