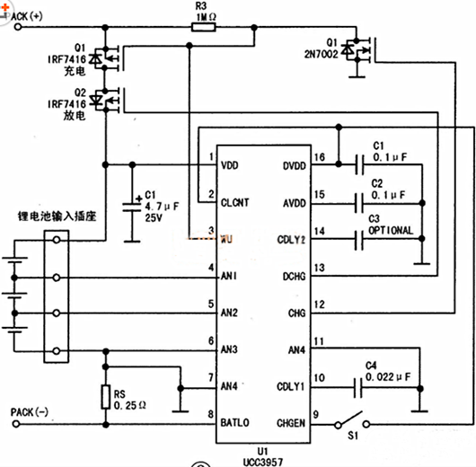
锂电池充放电控制芯片对电池组内的每一节电池电压进行采样,并与内部的精密基准电压进行比较,当任意一节电池处于过压或欠压状态时,芯片就会进行相应的控制,以防止进一步充电或放电,其典型应用电路如图所示。
图中,Q1、Q2为P沟道MOSFET管,分别控制充电和放电电流。


(1)电池组的连接
电池组与IC连接要注意顺序。电池组的底端连接到UCC3957(U1)的AN4端,顶端连接到VDD端,每两节电池的连接点按相应顺序连接到AN1~AN3端。
当电池组为3节电池时,U1的②脚(CLCNT端)与16脚(DVDD端)相连,同时将⑥脚(AN3端)与⑦脚(AN4端)相连;当电池组为4节电池时,②脚接地(即连到AN4端)。
(2)放电
U1具有智能放电功能。放电时,U1的13脚输出低电平,放电开关Q2导通,锂电池组经Q2及Q1内的二极管向负载供电。当负载所需电流较大时,通过电流检测电阻RS两端的压降也较大,当超过15mV(对应0.6A的放电电流)时,则U1的③脚输出低电平,充电开关管Q1导通,从而提高电池组的放电能力。
(3)欠压保护
当检测到任一节电池处于过放电时(低于欠压阈值),U1的③脚、13脚输出高电平,同时关断Q1,Q2、U1进入休眠状态,此时芯片的工作电流仅为3.5μA。只有当③脚电压升到VDD时,芯片检测到后才会退出休眠状态。
(4)充电
当接入充电器时,开关S1闭合,U1的⑨脚(CHGEN端)与16脚(DVDD)相通,U1的③脚输出低电平,充电开关管Q1导通,电池组充电。
在充电期间,如果U1处于休眠状态,则放电开关管Q2仍然关断,充电电流经Q2内的二极管对电池组充电。当每节电池的电压均高于欠压ON值时,Q2导通。
(5)过流?;?/div>
为了适应大的电容负载,UCC3957设有两个过流阈值电压,每一个阈值电压又可以设定不同的延迟时间,即采用二级过流?;つJ健U庵侄豆鞅;ぜ瓤啥远搪诽峁┛焖俚南煊?,又可使电池组承受一定的浪涌电流,以防止因滤波电容容量较大而引起不必要的过流?;ざ鳌?/div>
电流检测电阻RS接在U1的⑦脚(AN4)与⑧脚(BATLO)之间。当RS两端的压降超过某一阈值时,过流?;そ爰湫J?。在这一模式下,放电开关管Q2周期性地关断与导通,直到故障排除。一旦故障排除,芯片自动恢复到常规工作状态。
第一级过流?;ゃ兄滴?.15V(对应的输出电流为6A),且持续时间超过U1设定的时间(由U1的⑩脚(CDLY1)和地之间的电容C4设定),则U1进入间歇工作模式,其输出脉冲的占空比约为6%,即开关管的关断时间大约是导通时间的16倍。
第二级过流阈值为0.375V(对应的输出电流为15A),且持续时间超过U1设定的时间(由U1的14脚(CDLY2)和地之间的电容C3设定),则U1进入间歇工作模式,其输出脉冲的占空比小于1%,即开关管的关断时间大约是导通时间的100倍。
(6)过压?;?/div>
如果某一节电池的充电电压超过充电阂值,则U1的③脚输出高电平,充电开关管Q1关断,进入过压?;ぷ刺?/div>
另外,如果电池组与U1的④~⑥脚(AN 1 -AN3)的连线断路,则U1也将进入过压?;ぷ刺?。
〈烜芯微/XXW〉专业制造二极管,三极管,MOS管,桥堆等,20年,工厂直销省20%,上万家电路电器生产企业选用,专业的工程师帮您稳定好每一批产品,如果您有遇到什么需要帮助解决的,可以直接联系下方的联系号码或加QQ/微信,由我们的销售经理给您精准的报价以及产品介绍
联系号码:18923864027(同微信)
QQ:709211280
- 上一篇:耗尽层是什么,PN结、耗尽层图文详解
- 下一篇:反相器符号,反相器符号图介绍
相关阅读
最新资讯
- 怎么用TVS二极管提高电路的抗突波能力
- PIN二极管的电导调制机制和应用介绍
- 基于双MOS管的防反灌电路工作原理介绍
- 高效率整流二极管的特性和应用介绍
- 详解稳压二极管的关键特性和应用原理
- MOS管选型关键因素分析,怎么选择合适的参数
- 三相整流电路分析,半波整流与全波整流的工作原理
- IGBT三相全桥整流电路工作原理介绍
- 详解快恢复二极管,结构,特性和应用介绍
- 三极管和MOS管组合式开关电路分析
联系烜芯微
咨询热线:
18923864027
传真:
18923864027
QQ:
709211280
地址:
深圳市福田区振中路84号爱华科研楼7层