桥式整流电路
桥式整流电路(全波桥式整流电路),是一种将交流电转换成直流电的电子电路。这种电路能够将输入的交流电压中的正负交替变化的电流都转换为单向的直流电流,因而得名全波整流。
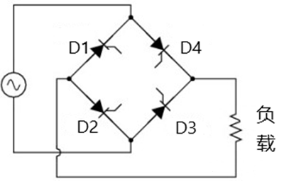
桥式整流电路由四个二极管组成,其排列形成一个“桥”形状,故得名。这四个二极管的连接方式使得在交流电的每个半周期中,都有两个二极管导通,将交流电转换为脉动的直流电。其核心在于二极管的单向导电特性,这使得电流只能沿一个方向流动,从而实现整流。
桥式整流电路图


(a )为桥式整流电路图 (b)图为其简化画法
桥式整流电路工作原理
在交流输入信号的正半周期内,即当输入电压的极性为正时,二极管D1和D2呈现正向偏置,这意味着它们的阳极相对于阴极处于更高的电位,从而使得它们能够导电。同时,D3和D4则承受反向偏置,也就是说,它们的阴极电位高于阳极,因此这些二极管是关闭状态,不会导电。


当输入电压升高,超过二极管D1和D2的开启阈值(通常约为0.7伏特)时,这两个二极管开始导通。此时,电流能够通过D1或D2流向负载,并沿着电路中红线所示的路径流动。与此同时,由于D3和D4仍然处于不导电的状态,电流不会流经这两个二极管。
这种导通和关闭的组合导致了全波整流中的单向电流流动:在正半周期内,电流经过D1或D2到达负载;而在负半周期内,情况相反,电流会经过D3或D4到达负载。结果是,无论输入电压的极性如何变化,负载上的电流方向都保持一致,实现了从交流到直流的转换。
桥式整流电路图
非受控桥式整流电路


如图所示,该桥式整流电路使用二极管对输入信号进行整流。由于二极管是一种单向器件,仅允许电流沿一个方向流动。使用整流电路中的这种二极管配置,它不允许功率根据负载要求而变化。所以这种类型的整流电路用于恒定或固定电源。
可控桥式整流电路


在这种类型的整流器中,AC/DC 转换器或整流器--代替不受控制的二极管,使用可控固态器件(如 SCR、MOSFET、IGBT 等)来改变不同电压下的输出功率。通过在不同的时刻触发这些设备,负载的输出功率得到适当的改变。
〈烜芯微/XXW〉专业制造二极管,三极管,MOS管,桥堆等,20年,工厂直销省20%,上万家电路电器生产企业选用,专业的工程师帮您稳定好每一批产品,如果您有遇到什么需要帮助解决的,可以直接联系下方的联系号码或加QQ/微信,由我们的销售经理给您精准的报价以及产品介绍
联系号码:18923864027(同微信)
QQ:709211280