三节锂电池串联充电电路:
1,PW4053,输入5V,升压输出12.6V的三节锂电池充电管理芯片,1A;
2,PW4203,输入15V-20V,降压输出12.6V的三节锂电池充电电流芯片,2A。


锂电池如是可拆卸和拔插应用时,会产生浪涌瞬间尖峰高压,CBAT需改成100uF电解电容。
15V-20V输入给三节锂电池充电芯片电路图


三节锂电池串联输出电路:
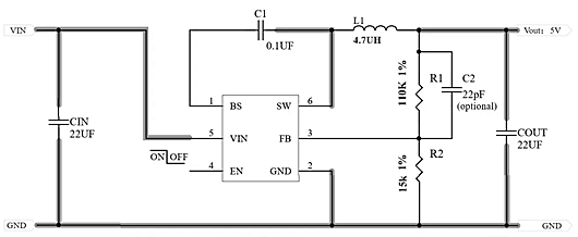
对于三节锂电池的输出来说,如果是DC-DC的话,就由1A-5A的多种选择了。
如果是LDO的话,就有两个,PW6218输入电压最大18V,PW6206输入电压最大40V,都是SOT23-3封装。




PW2162,输入4V-16V,最大2A;PW2312,输入4V-30V,最大1.2A
PW2163,输入4V-18V,最大3A;4A,5A的电路不一样,SOP8封装。
三节锂电池串联保护电路:
三节锂电池?;さ缏芬话愣际蔷さ谋冉铣<亩?,三节,四节等等。


S-8254三节锂电池串联?;ぐ宓缏?br />
〈烜芯微/XXW〉专业制造二极管,三极管,MOS管,桥堆等,20年,工厂直销省20%,上万家电路电器生产企业选用,专业的工程师帮您稳定好每一批产品,如果您有遇到什么需要帮助解决的,可以直接联系下方的联系号码或加QQ/微信,由我们的销售经理给您精准的报价以及产品介绍
联系号码:18923864027(同微信)
QQ:709211280