逆变电路(Inverter Circuit)是与整流电路(Rectifier)相对应,把直流电变成交流电称为逆变。逆变电路可用于构成各种交流电源,在工业中得到广泛应用。
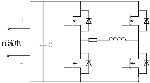
为了提高所设计的激励电源输出功率和工作频率,逆变电路采用全桥逆的方式,相对于单管和半桥逆变电路,全桥逆变的输出功率更高、开关损耗更小、可接纳的控制方式更多。
全桥逆变电路如下图所示:


设计全桥电路的三个要点:
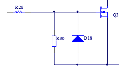
1.MOS/IGBT的栅极引脚部分的电路:
简单来说就是驱动全桥电路就是驱动信号驱动MOS/IGBT的栅极,但是驱动信号直接送到栅极上是不可以的,因为MOS/IGBT栅极结构原因,存在电容,如果驱动信号不辅助栅极部分的硬件电路会使MOS/IGBT一直导通,造成全桥电路中的四个管全部导通,结果可想而知。
解决方案比如下图所示:


2.MOS/IGBT的?;さ缏罚?/div>
MOS/IGBT管具有较脆弱的承受短时过载能力,所以在应用时必须为其设计合理的?;さ缏防刺岣咂骷目煽啃浴3<谋;さ缏酚泻芏嘀?,比如RC?;さ缏坊蛘逺CD?;さ缏贰?/div>
本次设计采用的是RCD 缓冲吸收电路和MOS管构成全桥逆变电路,将直流高压电转换为交流激励信号。


3. 全桥电路的器件选型问题:
全桥电路中每一个器件的选型都尤为重要,可能哪一个器件的承受值不满足可能会造成整个全桥电路瘫痪。比如MOS管的选型,在计算最大工作频率时要关注MOS管的上升和下降时间,以及?;さ缏返钠骷匦缘取?/div>
本次设计的全桥逆变电路(IRFP460MOS管、水泥电阻、聚酯膜电容以及快恢复二极管等),其中最高工作频率以及耐压耐流主要看所选择的器件(IGBT工作频率会低一些,但是耐压耐流值高)。
下图是全桥逆变电路的输出波形:


下图是本次设计中采样电阻采到的波形(可以看出峰峰值电流达到100A)。

〈烜芯微/XXW〉专业制造二极管,三极管,MOS管,桥堆等,20年,工厂直销省20%,上万家电路电器生产企业选用,专业的工程师帮您稳定好每一批产品,如果您有遇到什么需要帮助解决的,可以直接联系下方的联系号码或加QQ/微信,由我们的销售经理给您精准的报价以及产品介绍

〈烜芯微/XXW〉专业制造二极管,三极管,MOS管,桥堆等,20年,工厂直销省20%,上万家电路电器生产企业选用,专业的工程师帮您稳定好每一批产品,如果您有遇到什么需要帮助解决的,可以直接联系下方的联系号码或加QQ/微信,由我们的销售经理给您精准的报价以及产品介绍
联系号码:18923864027(同微信)
QQ:709211280
相关阅读
最新资讯
- 怎么用TVS二极管提高电路的抗突波能力
- PIN二极管的电导调制机制和应用介绍
- 基于双MOS管的防反灌电路工作原理介绍
- 高效率整流二极管的特性和应用介绍
- 详解稳压二极管的关键特性和应用原理
- MOS管选型关键因素分析,怎么选择合适的参数
- 三相整流电路分析,半波整流与全波整流的工作原理
- IGBT三相全桥整流电路工作原理介绍
- 详解快恢复二极管,结构,特性和应用介绍
- 三极管和MOS管组合式开关电路分析
联系烜芯微
咨询热线:
18923864027
传真:
18923864027
QQ:
709211280
地址:
深圳市福田区振中路84号爱华科研楼7层