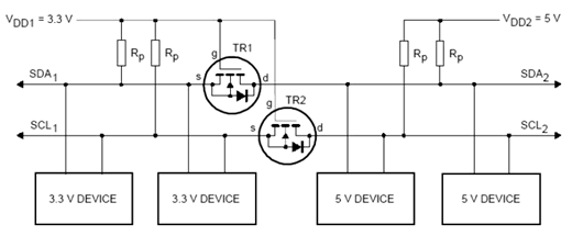
NMOS双向电平转换电路
双向电平转换电路,如下图所示,是 NMOS管双向电平转换电路,R2和R3可根据实际情况添加或去除。适用于低频信号电平转换,价格低廉。 导通后,压降比三极管小。 正反向双向导通,相当于机械开关。电压型驱动,需要一定的驱动电流,而且有的应用也许比三极管大。

双向传输原理:
S1端输出低电平,MOS管导通,S2端输出低电平。
S1端输出高电平,MOS管截至,S2端输出高电平。
S1端输出高阻,MOS管截至,S2端输出高电平 。
S2端输出低电平,MOS管内的二极管导通,MOS管导通,S1端输出低电平。
S2端输出高电平,MOS管截至,S1端输出高电平。
S2端输出高阻,MOS管截至,S1端输出高电平。
实例应用:




〈烜芯微/XXW〉专业制造二极管,三极管,MOS管,桥堆等,20年,工厂直销省20%,上万家电路电器生产企业选用,专业的工程师帮您稳定好每一批产品,如果您有遇到什么需要帮助解决的,可以直接联系下方的联系号码或加QQ/微信,由我们的销售经理给您精准的报价以及产品介绍
联系号码:18923864027(同微信)
QQ:709211280