FOC运算需要用到电机的线电流值和母线电压值,所以ADC采样功能必不可少。但是单片机的IO口输入电压范围是0~3.3V,所以为了保证安全,需要把测量电压保持在这个范围之内。
计算运放电路的放大倍数之前,需要先明确几个模电的概念-------虚短、虚断。
虚短:运放的两个输入端视为同等电位;
虚断:因为流入运放输入端的电流往往不足1uA,所以输入端可以视为等效开路。
电压采样电路图

电压采样电路如上图所示。
电压放大增益计算
假设上图中Vcc为48V,R1 = 47K,R2 = 1K。则根据电阻分压,Vi = 48 * (1/48)=1V。
因为虚短:V+ = V-。 (式1)
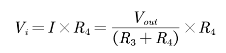
因为虚断:反向输入端无电流输入输出,通过R3和R4的电流相等,假设电流为I,则由欧姆定律得:
I = Vout / (R3 + R4)。
由图和(式1)知:Vi = V+ = V- = R4上的分压。
即:Vi = I * R4
即:

Vi已知,只要保证Vout在0~3.3V之间就可以进行电压的采集,进而对电路中电阻阻值进行设置。
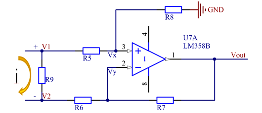
电流采样电路图

电流采样电路图如上图所示。
电流放大增益计算
ADC采集电流实际上还是采集电压,如上图,R9就是电流采样电阻。采集R9两端电压,然后根据欧姆定律得到电流值。
先假设:V = i * R9。 (式1)
由虚断知:运放输入端没有电流流过,则流过R5和R8的电流相等;R6和R7的电流相等。
则有如下公式:

因为电流范围已知,所以V就已知,然后R5和R6相等(自由设置),R8和R7相等(自由设置)。
只要保持Vout在0~3.3V之间,就可以对电路电阻进行设置。
〈烜芯微/XXW〉专业制造二极管,三极管,MOS管,桥堆等,20年,工厂直销省20%,上万家电路电器生产企业选用,专业的工程师帮您稳定好每一批产品,如果您有遇到什么需要帮助解决的,可以直接联系下方的联系号码或加QQ/微信,由我们的销售经理给您精准的报价以及产品介绍
联系号码:18923864027(同微信)
QQ:709211280