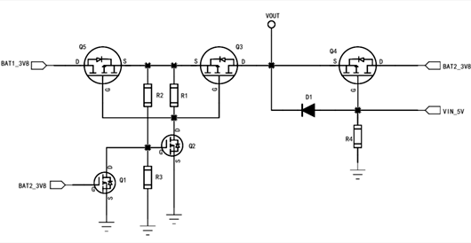
三电源切换电路

电路描述
1、Q1、Q2为NMOS,Q3、Q4和Q5为PMOS管,D1为二极管。
2、BAT1和BAT2为电池,BAT2的容量比BAT1大,VIN_5V为外部电源,VOUT为输出,给系统供电。
3、VOUT会从优先级高的电源取电,优先用外部电源,其次容量大的电池,最后才是容量较小的电池,优先级排序:VIN_5V > BAT2 > BAT1。
工作原理
1、当只有BAT1时,Q2、Q3和Q5导通,VOUT从BAT1取电。
2、当只有BAT2时,Q1导通,Q2、Q3和Q5截止,Q4导通,VOUT从BAT2取电。
3、当只有VIN_5V时,VIN_5V通过二极管D1到VOUT,VOUT从VIN_5V取电。
4、当BAT2和BAT1同时存在,Q1导通,Q2、Q3和Q5截止,Q4导通,VOUT从BAT2取电。
5、当VIN_5V和BAT2同时存在,Q1导通,Q2、Q3和Q5截止;VIN_5V通过D1到VOUT,BAT2通过Q4的体二极管到VOUT,因为VIN_5V较大,VOUT从VIN_5V取电。
6、当VIN_5V和BAT1同时存在,Q2、Q3和Q5导通,BAT1到VOUT,VIN_5V通过二极管D1到VOUT,因为VIN_5V较大,VOUT从VIN_5V取电。
7、当BAT1、BAT2和VIN_5V同时存在,参考4&5,VOUT从VIN_5V取电。
这个电路可以做到:三电源中任一电源存在,电路即可工作;两两电源存在,优先级高电源给系统供电,节省优先级低电源的电量;三电源同时存在,同时节省两路电池电量;两两电源或者三电源同时存在时,优先级高的电源断电,优先级低的电源会续上。
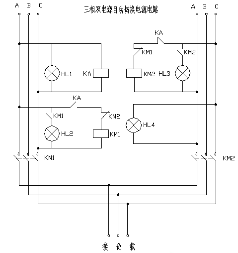
变压器三相双电源自动切换电路图

A,1变有电时候,KA得电吸合,其??サ惚蘸希哟テ鱧m1得电吸合,接通1变,负载使用1变的电,同时KA的常闭触头断开,km2不能够得电。
B,当1变停电时候,ka失电回位,其常开触点断开km1.ka 的常闭触头闭合接通接触器km2得电吸合,1变经过km2进入负载。负载使用2变。
C,这个电路采用了继电器ka的常开常闭和接触器km1 km2??1账ニ峁?,安全可靠。
D,这个电路设计以1变用电为主,要是有加一个手动选择旋钮就可以实现手动自动换变。,四个头三位的旋钮开关,左旋断开继电器ka,右旋断开km2线圈,中间位置两边都是通路。
E,要是把继电器ka接入A B两相还可以实现1变的缺相?;ぁ?/div>
F,如果在2变加入一个继电器ka2,线圈接入2变的A B两线之中,当中与ka1互锁得电,km2的得电由ka2控制也可以实现2变的缺相?;?。
〈烜芯微/XXW〉专业制造二极管,三极管,MOS管,桥堆等,20年,工厂直销省20%,上万家电路电器生产企业选用,专业的工程师帮您稳定好每一批产品,如果您有遇到什么需要帮助解决的,可以直接联系下方的联系号码或加QQ/微信,由我们的销售经理给您精准的报价以及产品介绍
联系号码:18923864027(同微信)
QQ:709211280
- 上一篇:基于NMOS的双向电平转换电路实例介绍
- 下一篇:多节锂电池串,并联转换电路图介绍
相关阅读