沟槽式场效应管
沟槽式场效应管TrenchMOSFET是现在比较常用的金属-氧化物半导体场效应晶体管。因其具有低导通电阻、低栅漏电荷密度的特点,所以功率损耗低、开关速度快。且由于TrenchMOSFET为垂直结构器件,因此可进一步提高其沟道密度,减少芯片尺寸,使功率场效应管的SMD微型封装成为现实。
在手机电池?;さ缏分?,常用到两个场效应管共漏极使用的MOSFET,因为在手机?;さ缏分?,即要进行过充检测也要进行过放检测。
该类MOSFET内部电路结构如下图虚线内所示:

打开该类MOS的规格书我们会看到许多如下参数:

那么如何测试这些参数呢,下面请看测试手法!
注意:
下文中加粗字体为变量,需根据MOS规格书来确定实际参数。
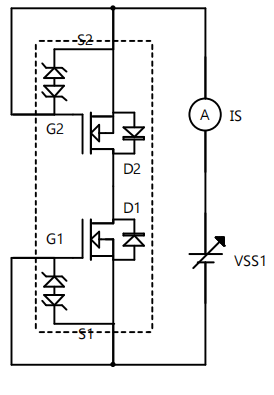
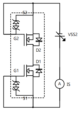
1、VSSS耐压
按下图连接测试电路,设置VGS=0V,VSS1从0V以0.1V步增,逐渐增加电压至IS=1mA,且MOS无损毁,记录VSS1的电压。

按下图连接测试电路,设置VGS=0V,VSS2从0V以0.1V步增,瞬间增加电压至IS=1mA,且MOS无损毁,记录VSS2的电压。

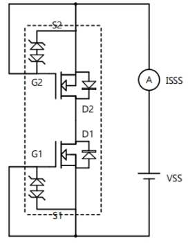
2、ISSS电流
按下图连接测试电路,设置VSS=12V,VGS=0V,记录下ISSS。

3、VGS(th)开启电压
按下图连接测试电路,设置VSS=6V,以0.1V同步增加VGS1的电压,直至ISS=1mA,记录下此时VGS1的电压,同理测试另一FET的VGS2。

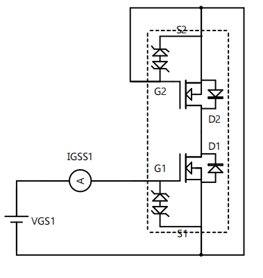
4、IGSS栅极漏电流
按下图连接测试电路,设置VSS=0V,VGS1=±8V,记录下IGSS1,同理测试另一FET的IGSS2。

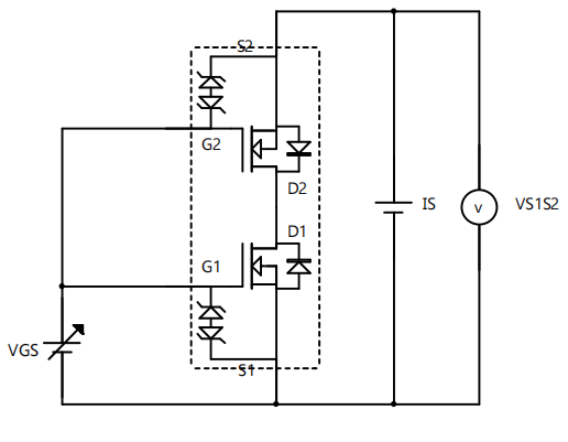
5、RSS(on)内阻
按下图连接测试电路,设置IS=6A,分别测试VGS等于4.5V、4.0V、3.8V、3.1V、2.5V时,S1与S2两端的电压VS1S2,RSS(on)=VS1S2/6A。

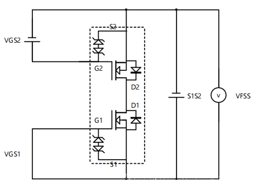
6、VFSS二极管导通电压
按下图连接测试电路,设置VGS2=4.5V,VGS1=0V,VS1S2=4.5V,IS1S2=6A,记录下测试的VFSS1。
同理,设置VGS1=4.5V,VGS2=0V,VS2S1=4.5V,IS2S1=6A,记录下测试的VFSS2。

〈烜芯微/XXW〉专业制造二极管,三极管,MOS管,桥堆等,20年,工厂直销省20%,上万家电路电器生产企业选用,专业的工程师帮您稳定好每一批产品,如果您有遇到什么需要帮助解决的,可以直接联系下方的联系号码或加QQ/微信,由我们的销售经理给您精准的报价以及产品介绍
联系号码:18923864027(同微信)
QQ:709211280