IGBT反并联二极管的功能
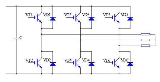
下图是三相双向逆变电路,图中我们可以看到反并联二极管的用法。

当输入直流电压高于负载反向电动势时,它是一个逆变电路,将直流电变成峰值等于(或小于)直流电压的交流电(波形由驱动信号决定,常用驱动信号是SPWM正弦脉宽调制,即正弦波交流电)。
当输入直流电压低于负载反向电动势时,它是一个三相整流桥,此时来自负载的反向充电电流经整流桥流回直流电源,实现电刹车。
为什么要把两者封装在一块。事实上大部分的IGBT应用都是上图的电路(两相、三相或更多相),封装在一起可以降低成本、简化电路、增加可靠性。而IGBT单独使用时,反向二极管通常不起作用,也就不影响电路设计,只是要小心电线接反时可能导致电机误动。
IGBT反并联二极管反向恢复
二极管的反向恢复过程,实际上是其工作点从导通过度到截止。
二极管从处于导通状态到处于关断的状态,不是在一个时间点上完成的,而是在一段时间内完成的,这段时间伴随着二极管两端的电压和流过它的电流的剧烈变化。

上图,二极管本来在续流,蓝色箭头,即二极管处于正向导通状态,下管IGBT打开之后,二极管的电流开始减小(方向朝上),直到变成0,然后反向增加到一个峰值(方向朝下,红色箭头),接着反向减?。ǚ聪虺拢焐罚┑?,此时二极管才完成了关断过程。

所以反向尖峰电流是朝下的,这一点对理解退保和检测中的假故障报错很有帮助。
即二极管反向恢复尖峰电流是从下管的IGBT集电极C到发射极E,这个电流很大,上上图中的红色箭头。
〈烜芯微/XXW〉专业制造二极管,三极管,MOS管,桥堆等,20年,工厂直销省20%,上万家电路电器生产企业选用,专业的工程师帮您稳定好每一批产品,如果您有遇到什么需要帮助解决的,可以直接联系下方的联系号码或加QQ/微信,由我们的销售经理给您精准的报价以及产品介绍
联系号码:18923864027(同微信)
QQ:709211280