运算放大器结构
运放输入模型
按照运放模型,比较全面的梳理出运放的基本模型:就是差模信号和共模信号的叠加。

虚短概念
理想运放要注意虚断和虚短。运放的同相端输入和反相端输入相等。

理想运放开环增益无穷大,实际略小,大部分在100dB(100000)倍左右,按这个增益,要让输出变化3V,同相反相输入端只需30uV的压差即可,如果加上纹波、噪声等干扰信号,同相反相端基本上无变化。引入反馈,做闭环,同相反相端的电压差忽略不计。
差模输入和共模输入
在应用中,运放可以输入差模信号,也可以输入共模信号,共模信号大部分来自噪声,最核心的愿景是:共模被抵消,差模被放大。

输入电压范围(Vin或Vcm)
运算放大器输入范围比较复杂,理论上来讲,同相端和反相端模拟输入在电源的正轨到负轨之间都能满足,运放的上下管大致对称,大部分时间,取运放的共模输入电压Vcm为1/2 Vdd。这样,运放主要工作在线性区。

小信号检测方法
运算放大器用来做电流小信号采集时,往往会面临信号该如何采集、是采用高边电流检测还是采用低边电流检测的问题。

差分放大器介绍
由于传感器信号主要是通过施加电压差做为输出,信号的差值电压很小,而且会产生布局布线引起的EMI和共模干扰、温度漂移等问题。把运放的同相端和反相端当做车厢,只要传感器信号给定在这中间,相对的干扰就会小很多。传感器的信号存在压差,避免运放异常饱和,引入差分放大器。

基于成本考虑,行业之内,大部分设计还会采用普通运放,基于减法器的模型,搭建一个差分放大器。

差分放大器的原理就像照镜子,物理学上的说法称作镜像,讲究对称和平衡,只有做到两边一模一样,效果才会最佳。为了这个目的,工程师就需要在模拟前端做阻抗匹配。而由于各点参考源不同,阻抗又有误差,完全阻抗匹配往往非常困难。
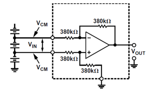
下图是一个经典的差分运放,通过输出静默电压Uoz,用KCL去求解同相输入和反相输入阻抗,结果差异很大。

介绍一下确定上图中各电阻的值的方法:
首先,按照镜像原理,偏置电流也按照相同的倍数放大,即可求出4个电阻之间的关系;确定R1则需要查运放的几个限制条件,阻值需满足:大于瞬时输出电压/最大输出电流、小于输入失调电压/输入偏置电流,还要注意热噪声影响等等。
〈烜芯微/XXW〉专业制造二极管,三极管,MOS管,桥堆等,20年,工厂直销省20%,上万家电路电器生产企业选用,专业的工程师帮您稳定好每一批产品,如果您有遇到什么需要帮助解决的,可以直接联系下方的联系号码或加QQ/微信,由我们的销售经理给您精准的报价以及产品介绍
联系号码:18923864027(同微信)
QQ:709211280