在微机测控系统中,模数转换ADC和数模转换DAC接口电路是数字电路单元与模拟数字电路单元之间信号转换的桥梁,其重要性不言而喻。本文将从闭环温度测控装置的实践角度来阐述模数转换接口电路的设计和调试方法,实践表明该系统升温迅速,控温准确。
1.模数转换的应用
1.1模数转换的接口
模拟数字转换接口技术在控制领域非常重要。微机测控系统中,外部的温度、压力等物理信号经传感器和变送器转换为电信号后送入模数转换器,模数转换器的基本功能就是要将输入的模拟信号成正比转换为数字信号。AD接口的设计主要考虑采样速度、AD转换孔径误差、AD转换芯片选择等方面。ADC芯片的选择则要综合考虑输入通道误差、被测信号的变化速率、工作环境、接口特性、成本与市场供应情况等来确定。
目前,在工程和教学中都以8路8位逐位比较式模数转换芯片ADC0809作为首选,它与各种单片机接口的应用非常普遍。在单片机应用系统中,单片机与ADC0809的连接方式主要有三种。如图1所示。

图1 单片机与ADC0809的三种连接方式
在这三种连接方式中,方式(C)仅适用于单片机没有扩展其它外部芯片的情况,方式(a)和方式(b)则可以扩展,其中方式(a)所需元件数目多,方式(b)则电路较为简单,可靠性高一些。
单片机通过MOVX指令启动AD转换和读取结果,其实质是利用单片机执行该指令产生的一系列时序信号来控制AD芯片的工作。MOVX指令很重要,尤其在扩展连接外部设备时,必须考虑这条指令的读写时序是否与外设要求相匹配。这也是工程人员设计单片机外围接口电路经常考虑的问题。
1.2模数转换的软件设计
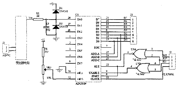
我们研制的闭环温度测控装置中,变送器将温度传感器AD592的输出电流转换放大为0~5V的直流电压(该电压经校准后与被测温度0~100成线性),经ADC0809转换后送入单片机计算测量温度值,见图2。
ADC0809的输入和输出关系:假设参考电压Vref=5V,若输入模拟电压的实际值为X,输出数字量为DA-TA,则两者关系近似为:

这个正比关系,就是AD转换器实现的本质功能。编程时经常用到。由于变送器的输出电压X与水温T成正比,而AD转换器的输出数字量DATA与电压X成正比,所以数字量DATA也与水温T成正比,故:

当单片机采集到温度的数字量DATA后。就可以根据上式计算出相应的水温T。本项目的部分测温程序(略)。
2.AD转换??榈牡魇杂爰煨?/div>
2.1AD转换电路模块的检测
下面以闭环温度测控装置中的AD转换??槲薪樯埽涞缏啡缤?所示。在变送器电路校准以后,就可以进行AD??榈缏返墓δ懿馐?。ADC??榧觳夥椒ㄓ氩馐猿绦蚣?,连接单片机硬件仿真器.通电并运行测试程序,同时将水从0℃加热至100℃(用标准的温度计测量),检查模/数转换结果。采用断点方式运行程序,观察累加器A的内容应随温度变化而成正比地在00~FF之间变化,否则表明电路有故障。

图2 AD转换??榈缏吠?/div>

图3 ADC模块功能的检测
2.2故障的分析与检测
运行上述测试程序,ADC0809是否正常丁作可以通过测量EOC引脚是否有信号输出来判断。如果AD转换电路??椴荒苷9ぷ鳎收戏治鲇爰觳獾幕痉椒ㄊ且来渭觳楦肁D芯片的基本工作条件是否具备,即它的输入信号、控制信号是否正常。若某信号不正常.则逆序检查其上一级元件的输出信号是否正常,从而分析出故障问题所在。检查信号是否正常时除了用示波器检查是否有信号波形外,还要注意检查该信号与相关信号的时序关系是否正确。
以故障现象-ADC0809输出无变化为例,其故障分析与检测流程如图4所示。

图4 故障分析与检测流程
结束语
本文总结了基于ADC0809的模数转换接口电路设计与调试的方法。总结了模数转换ADC是微机测控系统的重要组成部分,单片机与ADC0809的接口电路连接方式主要有三种,ADC0809输入的模拟信号和输出的数字信号之间本质上是一种正比关系,实践中也是依据这个正比关系来对AD转换??榻械魇院凸收霞煨薜?。故障分析与检测的基本方法是通过依次检查该AD芯片的基本工作条件是否具备来分析故障原因之所在。
电话:18923864027(同微信)
QQ:709211280
〈烜芯微/XXW〉专业制造二极管,三极管,MOS管,桥堆等,20年,工厂直销省20%,上万家电路电器生产企业选用,专业的工程师帮您稳定好每一批产品,如果您有遇到什么需要帮助解决的,可以直接联系下方的联系号码或加QQ/微信,由我们的销售经理给您精准的报价以及产品介绍
相关阅读
最新资讯
- 怎么用TVS二极管提高电路的抗突波能力
- PIN二极管的电导调制机制和应用介绍
- 基于双MOS管的防反灌电路工作原理介绍
- 高效率整流二极管的特性和应用介绍
- 详解稳压二极管的关键特性和应用原理
- MOS管选型关键因素分析,怎么选择合适的参数
- 三相整流电路分析,半波整流与全波整流的工作原理
- IGBT三相全桥整流电路工作原理介绍
- 详解快恢复二极管,结构,特性和应用介绍
- 三极管和MOS管组合式开关电路分析
联系烜芯微
咨询热线:
18923864027
传真:
18923864027
QQ:
709211280
地址:
深圳市福田区振中路84号爱华科研楼7层