1.设计思想
考虑到在流体的远距离传输中系统要在多个点进行检测,即实际检测过程中有多个被测量,这就要求系统中有多个传感器同时进行检测,因此本系统可应用各路独立采样共同转换的多路模拟输入通道,该模拟输入通道结构中每个通道都有采样保持器,而共用一个A/D转换器。这种结构能同时对各信号进行采样,然后分时进行转化,节省了A/D转换器。在工作时由于管道中流体的变化或泄漏是缓变的低频信号,进行取样时可不用取样保持电路,所以可用如图1所示的检测系统。

图1 系统框图
传感器的作用是将管道内的流体压力和流量转换为易于传输和控制的电压或电流,考虑管道是远距离传输,故可根据具体流体的性质选择电流型或电压型的压力变送器和流量变送器,他们分别将管道内的流体压力和流量转换为标准的4~20inA或0~l 0V直流信号,以满足性能要求和提高抗干扰能力。
A/D??椴捎妹拦鶱S公司的ADC0808/0809芯片;中央控制单元可采用803 l单片机或其它微型计算机;显示和报警采用LED显示和声光报警系统。
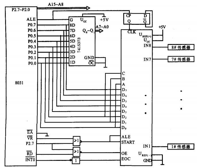
2.系统设计
以8路流量巡检系统为例介绍系统的设计过程。由于流量变化缓慢,所以不用采样保持器。这样输入通道只需由A/D转换器和多路模拟开关组成。由于检测精度要求不高,因此可以选择8通道8位A/D转换器ADC0809,其满刻度调整误差为1LSB=0.391%,小于l%,满足精度要求。且ADC0809内部具有8通道模拟开关,因此不需另加多路模拟开关。图2为8路流量巡回检测系统硬件原理图。ADC0809的通道选择由803l的低3位数据线决定;启动端和地址锁存允许由8031的WR与P2.7相或后进行控制;转换结束信号EOC经反相器反相后向803l申请中断。显然,启动转换与读取数据的接门地址要求P2.7为0。

图2 流量自动检测系统图
3.程序设计
8路流量巡问检测系统控制流程图如图3。主程序完成各种初始化工作,如中断初始化设置,数据缓冲区指针设置,赋通道号初值,启动转换。然后进入主循环程序段,反复调用诸如数字滤波、标度变换、越限处理、显示输出等子程序。中断服务程序则完成读取转换数据、修改通道号、启动下一通道等功能。

图3 8路流量巡回检测系统流程图
4.工作原理
检测系统的工作过程如下:首先由安装在管道接头中的压力传感器和流量传感器将管道中的压办和流量信息转换成对应的电信号,经多路模拟开关对各路模拟输入信号分时转化后进行A/D转换,然后通过I/O接口电路传输给微机,微机根据存储在ROM的程序,向多路采样开关阵列的选通地址译码器写入要采样的传感器地址,由译码器接通该地址对应的采样开关,所要采样的信号被连接到高精度放大器,放大后的信号经A/D转换器转换成数字量,微机通过数据总线接收该信号。为了随机误差统计处理的需要,每个采样点需要快速地采样多遍。一个采样点采样结束后,微机转而发送第二个采样地址,对第二个传感器采样,直至全部被测点均被采样完毕为止。微机不可能同时读取所有传感器来的信号,而是快速地轮流读取所有的被测量,这种采样方式称为“巡回检测”。采样结束后,所有的采样值还需要经过误差统计处理,剔除粗差,求取算术平均值,然后存储在RAM中。微机根据预定程序,将有关的采样值作一系列的运算、比较、判断,将运算的结果分别送显示终端和打印终端,并将某些数值送到输出接口,输出接口将各数字量分别送到位控信号电路和多路D/A转换电路,去控制各种执行机构和显示器,显示出各监测点流体的压力和流量。若管道产生泄露,则某些信号超限,微机立即起动声光报警电路进行报警,实现对管道内流体的动态监测。
结束语
本文总结了基于ADC0809的流量自动检测系统设计方案。该检测系统由于选用的是带有8路模拟通道选择开关,并有与微处理器兼容的控制逻辑的8通道8位A/D转换器ADC 0809和8031单片机作为微处理器,因此具有结构简单、性能可靠、工作稳定、成本较低的特点。若将流量传感器替换为压力传感器或温度传感器,则该系统还可以用来检测压力或温度。
电话:18923864027(同微信)
QQ:709211280
〈烜芯微/XXW〉专业制造二极管,三极管,MOS管,桥堆等,20年,工厂直销省20%,上万家电路电器生产企业选用,专业的工程师帮您稳定好每一批产品,如果您有遇到什么需要帮助解决的,可以直接联系下方的联系号码或加QQ/微信,由我们的销售经理给您精准的报价以及产品介绍