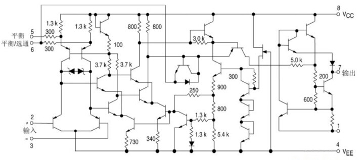
LM311工作于单电源SV~30V 或土15V双电源; 正电源工作电流为2. 4m A(典型值)、负电源工作电流为-1.3mA(典型值); 输人失调电压典型值为2mV; 输人失调电流典型值为1.7nAy输人偏置电流典型值为45nA; 电压增益典型值为200V/mVi 响应时间典型值为200ns; 输人电压范围为-14.7~13.8V。

图1 LM311内部结构图
1.工作原理

(a) (b)
图2 LM311电压比较器原理原理图
(a) 表示输出电压与输入电压之间关系的特性曲线,称为传输特性。(b)为(a)图比较器的传输特性。
(b)传输特性当ui<UR时,运放输出高电平,稳压管Dz反向稳压工作。输出端电位被其箝位在稳压管的稳定电压UZ,即 uO=UZ
当ui>UR时,运放输出低电平,DZ正向导通,输出电压等于稳压管的正向压降UD,即uo=-UD
因此,以UR为界,当输入电压ui变化时,输出端反映出两种状态,高电位和低电位。
2.应用电路
2.1简单带电路

图3 基本电路图
网上找了很多的LM311的应用电路这里给大家一个亲测成功的电压比较器
滑动变阻器分压,最大阻值可自选
若要作过零比较器,3脚直接接地就OK
输出端的上拉电阻和1脚接地不要省略
LM311,8引线,其第7脚为输出,是集电极开路的结构,即所谓集电极开路门,简称OC门,其作用是为了满足一些特殊的需要,如推动LED、灯、继电器,及与后随的数字电路等在电平上兼容。
因此,在应该输出高电平的时候,就不会得到高电平,需要在7脚与正电源8脚之间接入一个电阻,如1kΩ左右,使集电极不再开路。
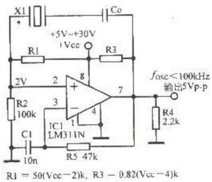
2.2晶体振荡器电路

图4 由LM311N构成的晶体振荡器电路图
能工作于5.0 到30 伏单个电源或土15 伏分离电源,如通常的运算放大器运用- 一样,使LM211/LM311成为- -种真正通用的比较器、该设备的输入可以是与系统地隔离的,而输出则可以驱动以地为参考或以VCC 为参考,或以Vee 电源为参考的负载、此灵活性使之可以驱动DTL.RTL.TTL.或MOS逻辑、在电流达50毫安时,该输出还可以把电压切换到50伏。因此该LM211/LM311可用于驱动继电器,灯或螺线管。

图5 电源图
(1) 失调电压平衡(图a)。调平衡时两输人端接地,调5kQ电位器,使输出为最小电压值(接近0V)。
(2) 单电源供电(图b)。此时V。EE与GND连接。图a图b中,负载电阻R.接在VCC 与Output之间。
(3) R接在1脚与地之间(图c)。按图c接法输入极性是颠倒的(即3脚作为同相端)。
(4)R.接在1脚与Vg之间(图d)。E按图d接法输人极性是颠倒的。
(5) 正负电源时R.的一般接法(图e)。
(6) 选通比较器接法(图f)。在6脚接一个三极管作选通接法。在三极管基极接TTL高电平时,比较器被选通(正常工作); 基极加低电平时比较器不工作。
2.3光控器电路
该电路是基于电压比较器集成电路LM311,IC1同相输入端的电阻R3和R4 给出一个6V的参考电压。因为光敏电阻在黑暗时阻值可达几兆欧,反相输入端的电位呈高电位,比较器呈低电位,Q1不导通,继电器不吸合。反之,因为光敏电阻在照亮时阻值为5-10K,反相输入端的电位呈低电位,比较器输出端呈高电位,Q1导通,继电器吸合。如果将LM311输入端+ - 对换情况与上面所述正好相反。调节R1可设定多大照度时起控继电器。

图6 光控器电路图
2.4TTL逻辑电平接口电路
由LM311构成的TTL逻辑电平接口电路

图7 TTL逻辑电平接口电路图
所示为由运算放大器(LM311)构成的TTL接口电路。该电路可以将不标准的输入信号变成符合rrrL逻辑电平要求的脉宽信号,即高电平为5v,低电平为Ov。
电话:18923864027(同微信)
QQ:709211280
〈烜芯微/XXW〉专业制造二极管,三极管,MOS管,桥堆等,20年,工厂直销省20%,上万家电路电器生产企业选用,专业的工程师帮您稳定好每一批产品,如果您有遇到什么需要帮助解决的,可以直接联系下方的联系号码或加QQ/微信,由我们的销售经理给您精准的报价以及产品介绍