LM741是一种应用非常广泛的通用型运算放大器。由于采用了有源负载,所以只要两级放大就可以达到很高的电压增益和很宽的共模及差模输入电压范围。本电路采用内部补偿,电路比较简单不易自激,工作点稳定,使用方便,而且设计了完善的?;さ缏?,不易损坏。LM741可应用于各种数字仪表及工业自动控制设备中。
1.特点
(1)不需要处部频率补偿
(2)输入有过压?;?/div>
(3)输出有过载?;?/div>

〈烜芯微/XXW〉专业制造二极管,三极管,MOS管,桥堆等,20年,工厂直销省20%,上万家电路电器生产企业选用,专业的工程师帮您稳定好每一批产品,如果您有遇到什么需要帮助解决的,可以直接联系下方的联系号码或加QQ/微信,由我们的销售经理给您精准的报价以及产品介绍
电话:18923864027(同微信)
QQ:709211280
(4)无阻塞和振荡现象
2.参数
绝对最大额定值:(TA=25℃)
电源电压:士22V
功耗:500mW
差模输入电压:±30V
输入电压:±15V
工作温度范围:-55℃~+125℃
贮存温度范围:-65℃~+150℃
焊接温度:300℃

封装外形图(管脚朝下)

基本接线图
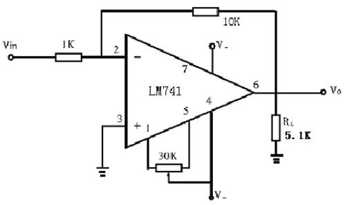
电路原理图:

3.引脚功能
LM741是一款8引脚DIP芯片,这意味着它有8个引脚,它们都具有不同的功能。
下面是LM741运算放大器芯片的引脚图:

LM741引脚功能说明


4.工作原理
当非反相输入(+)的电压高于反相输入( - )的电压时,比较器的输出为高电平。如果反相输入( - )的电压高于非反相端(+),则输出为低电平。运算放大器的输出是增益和输入电压的乘积。
5.使用方法
一个LM741运算放大器是直流耦合的高增益电子电压放大器。它内部只有一个运算放大器。运算放大器IC用作比较器,比较两个信号,即反相和非反相信号。该IC的主要功能是在各种电路中进行数学运算。运算放大器具有很大的增益,通常用作电压放大器。LM741可以采用单电源或双电源供电。
输出电压=增益*输入电压

运算放大器可以通过两种方式使用:
(1)反相运算放大器
当输入源连接到反相端子PIN 2并通过输出PIN 6反馈时,运算放大器处于反相状态。就像PIN 2具有+ ve极性一样,我们将获得PIN 6输出的极性。
GAIN = Rf / R1

(2)同相运算放大器
当输入源连接到非反相端子PIN 3并且PIN 2通过输出PIN 6反馈时,则运算放大器处于非反相状态。就像PIN 3具有+ ve极性一样,我们将获得PIN 6输出的+ ve极性。
GAIN = 1+(Rf / R1)

〈烜芯微/XXW〉专业制造二极管,三极管,MOS管,桥堆等,20年,工厂直销省20%,上万家电路电器生产企业选用,专业的工程师帮您稳定好每一批产品,如果您有遇到什么需要帮助解决的,可以直接联系下方的联系号码或加QQ/微信,由我们的销售经理给您精准的报价以及产品介绍
相关阅读
最新资讯
- 怎么用TVS二极管提高电路的抗突波能力
- PIN二极管的电导调制机制和应用介绍
- 基于双MOS管的防反灌电路工作原理介绍
- 高效率整流二极管的特性和应用介绍
- 详解稳压二极管的关键特性和应用原理
- MOS管选型关键因素分析,怎么选择合适的参数
- 三相整流电路分析,半波整流与全波整流的工作原理
- IGBT三相全桥整流电路工作原理介绍
- 详解快恢复二极管,结构,特性和应用介绍
- 三极管和MOS管组合式开关电路分析
联系烜芯微
咨询热线:
18923864027
传真:
18923864027
QQ:
709211280
地址:
深圳市福田区振中路84号爱华科研楼7层