电压比较器简称比较器,其基本功能是对两个输入电压进行比较,并根据比较结果输出高电平或低电平电压,据此来判断输入信号的大小和极性。电压比较器常用于自动控制、波形产生与交换,模数转换以及越限报警等许多场合。
电压比较器通常由集成运放构成,与普通运放电路不同的是,比较器中的集成运放大多处于开环或正反馈的状态。只要在两个输入端加一个很小的信号,运放就会进入非线性区,属于集成运放的非线性应用范围。在分析比较器时,虚短路原则仍成立,虚短及虚地等概念仅在判断临界情况时才适应。
电压比较器是将一个模拟输入信号ui与一个固定的参考电压UR进行比较和鉴别的电路。

图1 电压比较器及传输特性
1.LM311应用
LM311是性能价格比较高的集成芯片。LM311可用作精密的频率电压(F/V)转换器、A/D转换器、线性频率调制解调、长时间积分器以及其他相关的器件。LM311为双列直插式8脚芯片。LM311内部有:输入比较电路、定时比较电路、R-S触发电路、复零晶体管、输出?;さ愕缏返炔糠?。输出管采用集电极开路形式,因此可以通过选择逻辑电流和外接电阻,灵活改变输出脉冲的逻辑电平,从而适应TTL、DTL和CMOS等不同的逻辑电路。此外,LM311可采用单/双电源供电,电压范围为4~40V,输出也高达40V。

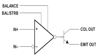
图2 LM311引脚图

图3 LM311结构示意图
2.漏水检测电路设计
漏水检测器原理:在有水漏到接水板的两个电极之间时,两个电极之间的电阻值会发生极大的变化,感知是否存在漏水发生。
电桥电路是用比较法测量各种物理量的一种电路。最简单的是由四个支路组成的电路,各个支路称为电桥的“臂”。实际检测电路中,利用电桥电路在检测电阻方面的优良特性,通过检测电桥的电压来检测电阻值的变化。
可以认为漏水检测电极为一个可变电阻,作为电桥的一个支路,其余三个支路阻值相等。具体阻值可以根据漏水电极在有水和无水时的电阻值来确定。其范围应在水时的阻值与无水时的阻值之间,可以取其中间值作为其余是三路电阻的值。
在检测电桥中,如果检测电极没有漏水,其阻值较大,所以V+﹥V﹣,即V_id﹥0,V_out﹥0。
如果检测电极有漏水,其阻值较小,所以V+﹤V﹣,即:V_id﹤0,V_out﹤0。这样就能很准确的检测出是否存在漏水现象。也就是说,电压比较器LM311的输出电平的高低就代表了有无漏水现象。

图4 漏水检测原理图

图5 漏水传感器PCB实物图
在电路设计时,应注意到当一个高速比较器被用于高速输入信号和低源阻抗输入信号时,正常的输出响应应该是快速和稳定的,然而,当输入的信号是缓变信号或高阻信号源,比较器就有可能在比较阀值点发生振荡,这是由于比较器的高增益和宽带造成的,干扰的存在也是造成这种振荡的直接原因之一。在应用中,要避免这种振荡和不稳定。振荡的产生与结构的安排关系很大。信号输出端要远离输入端的管脚,也应远离两平衡端管脚。正负电源应加滤波电容,滤除电源的干扰,并且将电容放在管脚附近。增大输入信号的幅度,减少产生振荡的可能性。在比较器的输出端上拉电阻两端并接一个容量适当的电容,对滤除和减弱振荡有显著效果。
小结
LM311是一种常用的线性比较器,以其很高的性价比,广泛的应用于各种比较电路中。本文就是利用了LM311的这一特性,设计了一种简单实用的漏水检测电路。此电路具有结构简单,制造成本低,检测精度高的特点,在实际检测电路中得到了较好的应用。
电话:18923864027(同微信)
QQ:709211280
〈烜芯微/XXW〉专业制造二极管,三极管,MOS管,桥堆等,20年,工厂直销省20%,上万家电路电器生产企业选用,专业的工程师帮您稳定好每一批产品,如果您有遇到什么需要帮助解决的,可以直接联系下方的联系号码或加QQ/微信,由我们的销售经理给您精准的报价以及产品介绍