LM324四运放电路具有电源电压范围宽,静态功耗小,可单电源使用,价格低廉等优点,因此被广泛应用在各种电路中。本文将介绍LM324 正负电源的接法及检测方法。
1.正负电源接法
LM324有14条引脚,第4脚接电源正端,第11脚接电源负端。
LM324内部有4 个相同的放大器,对称排列,第4 脚和第11脚是Y对称轴,接电源。供电方式可以是正负双电源供电,也可以是单电源供电。
(1)正负双电源供电:第4脚接正电源VCC,第11脚接负电源VEE,输入信号以双电源的中点为零电位参考点,各输入端通过平衡电阻接地而不是接负电源,如图1所示(图中以1个放大器为例)。
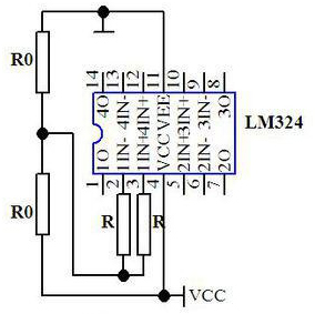
(2)单电源供电:第4脚接电源正端VCC,第11脚接电源地,输入和输出信号以电源的中点(1/2)VCC为零电位参考点,其中两只R0电阻要相等,以确保中点准确,各输入端通过平衡电阻接电源中点(1/2)VCC而不是接电源地,如图2所示(图中以1个放大器为例)。

图1 正负双电源供电

图2 单电源供电
2.检测方法
LM324是由4个相同的运算放大器构成的,所以有4个相同功能的引脚 对地正、反向的电阻值基本一样,就以8、9 、11、脚的运算放大器介绍检测方法和阻值,其它检测方法一样。用万用表的测二极管档。

图3 LM324引脚图
(1)a黑表笔接11脚,红表笔8脚,阻值是1997。b黑表笔接8脚红表笔接11脚,阻值约是658。c黑表笔接9脚,红表笔接11脚,阻值是无群大。d黑表笔接11脚,红表笔接9脚,阻值约为712。e黑表笔接10脚,红表笔接11脚,阻值约为无群大。f黑表笔接11脚,红表笔接10脚,阻值约为711。
(2)供电端子对地阻值的检测
LM324的供电端是4和11脚,我们只需测正反电阻的阻值。a黑表笔接4脚,红表笔接11脚,阻值约为581。b黑表笔接11脚,红表笔接4脚,阻值约为1.272。
电话:18923864027(同微信)
QQ:709211280
〈烜芯微/XXW〉专业制造二极管,三极管,MOS管,桥堆等,20年,工厂直销省20%,上万家电路电器生产企业选用,专业的工程师帮您稳定好每一批产品,如果您有遇到什么需要帮助解决的,可以直接联系下方的联系号码或加QQ/微信,由我们的销售经理给您精准的报价以及产品介绍