通用型集成运放LM324内部有四个运放器,利用其中两个运放器可以制作一个电源测试仪。此测试仪对于工厂生产线上大批量生产电源板进行检验特别适合,只要看指示灯即可判别电源板的好坏。本文介绍基于LM324的电源测试仪设计方案。
1.电源测试仪简介
仪器最大的特点是体积小、重量轻,适合220V直流系统检测,并能全自动实时在线快速准确的测试出变电站直流电源系统的稳压精度、稳流精度、纹波系数、效率特性、电池放电容量等,并可对电池的多项测量结果和曲线显示生成报表,并进行综合计算分析,准确判别。
2.LM324简介
LM324系列器件带有真差动输入的四运算放大器,具有真正的差分输入。与单电源应用场合的标准运算放大器相比,其具有可以工作在低到3.0伏或者高到32伏的电源下,静态电流为MC1741的静态电流的五分之一等优点。采用14脚双列直插塑料封装,外形如图所示。它的内部包含四组形式完全相同的运算放大器,除电源共用外,四组运放相互独立。

图1 LM324封装外形图
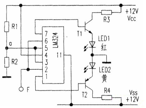
3.电路设计
电路如图2所示,假如要检测的电源为9V,误差0.8V,即小于8.2V和大于9.8V的产品为不合格。

图2 电路原理图
首先,选择Rl、R2的阻值使a点电压为9V,当F测到电压高于9.8V时,T1导通,LEDI(红灯)亮,此灯作为过压指示;当F测到低于8.2V时,T2导通,LED2(黄灯)亮,把它作为欠压指示;两灯都不亮时,表示被测电源板正常。另外改变R1、R2,即选择a点的电压,可检测不同电压的电源。
以上就是基于LM324的电源测试仪设计方案介绍了。LM324可以工作于低至3.0 V或高达32 V的电源电压,静态电流是MC1741的五分之一左右(每个放大器)。共模输入范围包括负电源,因此在众多应用中无需外部偏置元器件。
电话:18923864027(同微信)
QQ:709211280
〈烜芯微/XXW〉专业制造二极管,三极管,MOS管,桥堆等,20年,工厂直销省20%,上万家电路电器生产企业选用,专业的工程师帮您稳定好每一批产品,如果您有遇到什么需要帮助解决的,可以直接联系下方的联系号码或加QQ/微信,由我们的销售经理给您精准的报价以及产品介绍