温凝控制器广泛应用于电力电子的高低压配电柜、端子箱、变电站,用于实时检测环境温湿度变化,保护电力电子器件?;构惴河τ糜谛枰晕率冉屑觳饧白酆峡刂频某∷缡卟舜笈?、粮仓等。本文设计了一种温凝控制器,以温度传感器AD592、凝露传感器HDP一07作为检测元件,以四通道的集成运放LM324作为核心控制比较元件,自动对被测环境进行温度检测、控制输出和报警以及凝露?;さ龋朔讼钟形履刂破鞫陨杓频魇晕奕嗽倍匀砑兑蠼细?,电路结构复杂,温度反应偏差大的缺点,简化了电路结构。
1.温凝控制器控制原理
LM324电压比较器作为温凝控制器额主控芯片,利用温度传感器将温度的变化变为电流的变化及利用凝露传感器将湿度的的变化转换为电阻的变化和LM324电压比较器对温凝控制器控制来实现报警显示及输出?;贚M324电压比较器的温凝控制器的原理框图如图1所示。

图1 温凝控制器原理框图
2.电路设计
基于LM324电压比较的温凝控制器的电路设计主要包括直流稳压电源和温凝控制两部分的设计。该控制器主要部件包括温湿度传感器,通过红蓝黑黄四根导线通过底座连接到控制电路板,以及和控制电路板相连接的拨盘,最后经壳体进行封装。
2.1直流稳压
电源部分设计本文设计的温凝控制器电路由直流稳压电源??椤⒋衅魇淙肽?椤⒈ň允灸??、电压比较??榈茸槌伞?/div>
基本上所有的电子产品都是直流电源供电,而日常的电网电压是交流220V,因此首先要将交流电变为直流电,为电路提供稳定的直流电源,本温凝控制器需要为电压比较模块提供8V的直流电,为输出继电器??橥9?2V的直流电,首先经变压器调压后,通过四个二极管组成的桥式整流电路进行整流,并经电容滤波后经三端集成稳压器进行稳压输出。
2.2温凝控制部分设计
温凝控制部分设计采用LM324电压比较器作为整个温凝控制电路的主控芯片。LM324是真正差分输入的四通道集成运算放大器,由完全独立的四组运放组成,它在电路中的主要作用是比较输入电压和基准电压,根据两路电压的高低改变输出电压的高低,从而进行相应的控制输出。
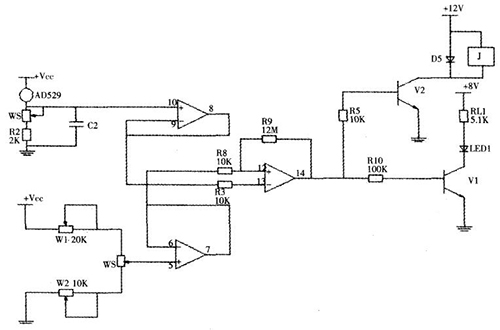
本温凝控制器选用AD592作为温度传感器,AD592是已经集成化的温度传感器,是美国亚德诺半导体公司推出的一种高性能电流传感器,将温度的变化转换为电流。它具有误差小、成本低、温度变化和电流变化成线性的优点。它的输出电流以绝度绝对零度(一273oC)为基准,环境温度每增减1℃,它会增加1微安的输出电流。温度传感器经过电压跟随器将温度的变化转变为电压的变化后输入到电压比较器的反相输入端。线绕电位器和拨盘相连,用于提供基准电压,并提供给电压比较器的同相输入端。如果LM324电压比较器的输入端电压低于基准电压,说明.IJ;ID~lJ环境温度低于拨盘设定温度,电压比较器输出高电平,此时通过二极管进行报警显示并控制输出进行升温,直至环境温度高于设定温度,电压比较器输出低电平,整个温度控制过程为闭环系统,因而能快速灵敏地控制温凝控制器的动作,图2为温度控制??榈缏吩硗?。

图2 温度控制???/div>
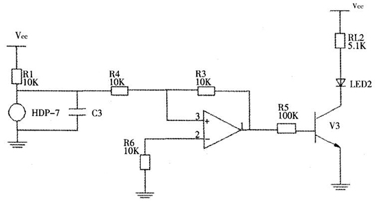
本温凝控制器选用HDP一07作为凝露传感器,HDP一07是一种新型凝露传感器,通过自身阻值变化去测量或预测空气凝露的产生,其结构是在陶瓷基片上制作梳妆电流,然后由树脂和导电粒子涂覆形成电阻膜,具有典型的开关型传感器的特点,对高湿度格外敏感,呈现高阻状态;在低湿度环境下,体现低阻状态。具有体积小、测量周期短,反应敏捷、精度高等优点,克服了传统光学原理制成的冷镜式凝露传感器结构复杂、体积大、操作复杂、精度低的缺点,广泛应用于需要控制高湿度和凝露的场合,图3为湿度控制??樵硗?。

图3 湿度控制???/div>
当环境温度中的相对湿度达到loo%B-,j-空气中的水蒸气将液化凝结为露珠,设备会因为潮湿而发生误动作,减少使用寿,因此本文设计的温凝控制器中采用HDP一07凝露传感器用于检测凝露的产生并及时消除。凝露传感器与比较器构成过零比较器,平常在低湿度的环境下,凝露传感器的电阻很小,传感器体现出开关闭合的特性,比较器输出低电平;当环境湿度达到83%的临界值时,凝露传感器呈现高阻状态,比较器输出高电平,从而控制电子开关三级管导通并显示报警及控制输出降低湿度,采用基于LM324电压比较器作为主控芯片的温凝控制电路相较基于软件控制的电路,电路结构更为简单,调试组装使用更为方便,成本也更加低廉。
3.测试
3.1温度控制的调节与测试
(1)调基准
将拨盘刻度转至0度,将万用表的红表笔夹住线绕电位器中间抽头,黑表笔接地,万用表转至直流电压档,调整电位器W2,使电压表读数为2.73V。
(2)调线性精度
首先,将拨盘刻度调整至一3O度,调整电位器W2,使电压读数为2.43V;第二步将拨盘刻度调整至40度,记下万用表的数值,如果数值大于3.13V,表明斜率偏大,再将拨盘刻度调整至一30度,调整电位器W1并重新调整W2是电压读数为2.43,再将拨盘刻度调整至4O度,观察电压表读数是否为3.13V,若不是,重复第二步,直到电压读数为2.43V。
(3)调温度传感器精度
将拨盘刻度调整至室温,调整电位器WS,使温度报警指示二极管亮,并在这个临界值来回调节电位器,温度指示灯将来回在亮灭之间变化。
(4)测试
将拨盘刻度调整低于室温,温凝控制器不起作用;将拨盘刻度调整高于室温,温凝控制器的温度报警指示灯亮,继电器吸合,输出220V交流电,表明温度控制部分可正常工作。
3.2凝露控制的调节与测试
凝露控制器检测时可外加水蒸气或者用口对着凝露传感器哈气5秒左右,控制器上的湿度报警指示灯亮,继电器吸合,输出220V交流电,表明凝露控制部分可正常工作。
总结
本文总结了基于LM324电压比较器的温凝控制器设计与制作。该温凝控制器通过测试成功的实现了温度控制和凝露产生控制,具有稳定性好,抗干扰能力强,调节范围广,精度高,反应迅速等优点,解决了温凝控制器电路结构复杂,反应精度不高等问题。仅采用LM324电压比较器作为该控制电路的主控芯片,方便组装和调试,成本低廉,无需采用软件控制是该温凝控制器的特色。适合于科技创新和推广。
电话:18923864027(同微信)
QQ:709211280
〈烜芯微/XXW〉专业制造二极管,三极管,MOS管,桥堆等,20年,工厂直销省20%,上万家电路电器生产企业选用,专业的工程师帮您稳定好每一批产品,如果您有遇到什么需要帮助解决的,可以直接联系下方的联系号码或加QQ/微信,由我们的销售经理给您精准的报价以及产品介绍
- 上一篇:LM358的特性和工作原理介绍
- 下一篇:基于LM324的电源测试仪设计图解
相关阅读
最新资讯
- 怎么用TVS二极管提高电路的抗突波能力
- PIN二极管的电导调制机制和应用介绍
- 基于双MOS管的防反灌电路工作原理介绍
- 高效率整流二极管的特性和应用介绍
- 详解稳压二极管的关键特性和应用原理
- MOS管选型关键因素分析,怎么选择合适的参数
- 三相整流电路分析,半波整流与全波整流的工作原理
- IGBT三相全桥整流电路工作原理介绍
- 详解快恢复二极管,结构,特性和应用介绍
- 三极管和MOS管组合式开关电路分析
联系烜芯微
咨询热线:
18923864027
传真:
18923864027
QQ:
709211280
地址:
深圳市福田区振中路84号爱华科研楼7层